Запчасти Case 580SN (35.106.AO[06]) - HYDRAULIC SYSTEM, DIAGNOSTIC COUPLER (35) - HYDRAULIC SYSTEMS

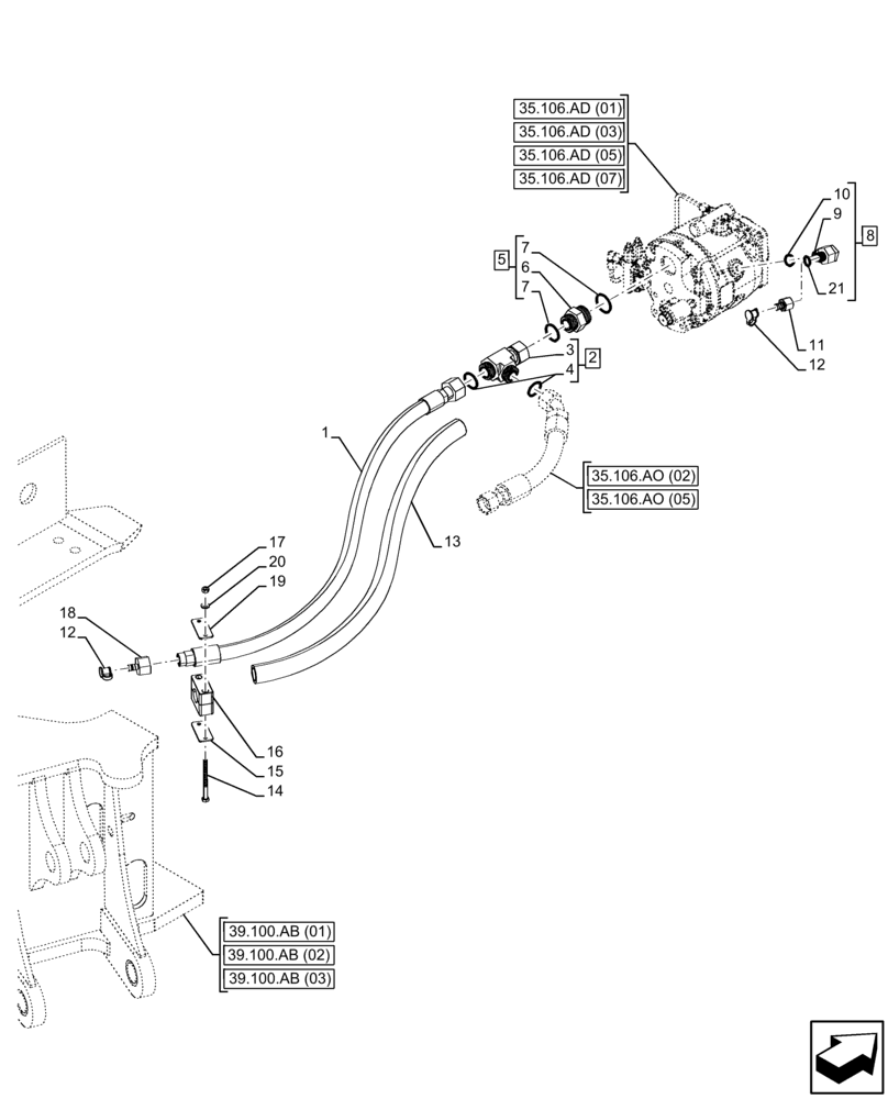
Схема запчастей Case 580SN - (35.106.AO[06]) - HYDRAULIC SYSTEM, DIAGNOSTIC COUPLER (35) - HYDRAULIC SYSTEMS
12
35.106.ad (01)
20
9
12
13
5
35.106.ao (02)
16
11
17
39.100.ab (03)
3
21
35.106.ao (05)
39.100.ab (02)
6
7
15
8
14
4
35.106.ad (03)
1
10
2
35.106.ad (05)
7
19
35.106.ad (07)
18
39.100.ab (01)
FIT
1:1
100%

Артикул

Название

Примечание

Количество

1

84282578

HOSE,19mm ID x 1270mm L

Attenuator

1шт.

2

201-418

TEE,1-7/16" - 12 ORFS x 1-7/16" - 12 ORFS x 1-7/16" - 12 ORFS

ASSY, Incl 3, 4

1шт.

3

NSS

NOT SOLD SEPARAT

Tee, Incl in 2

1шт.

4

238-6021

O-RING,15/16 X 1 - 1/16, Cl 6

2шт.

5

9847247

HYD CONNECTOR,1 7/16"-12 ORFS x 1 5/8"-12 ORB

ASSY, Incl 6, 7

1шт.

6

NSS

NOT SOLD SEPARAT

Connector, Incl in 5

1шт.

7

9824050

O-RING,0.07" Thk x 0.926" ID, -21, Cl 6, 90 Duro

2шт.

8

85802961

ELBOW,13/16"-16 UN-2A x 7/8"-14 UNF-2A

ASSY, incl 9, 10, 21

1шт.

9

NSS

NOT SOLD SEPARAT

90° Elbow, Incl in 8

1шт.

10

167269

O-RING,0.097" Thk x 0.755" ID, -910, Cl 6, 90 Duro

1шт.

11

322529A1

COUPLING

Diagnostic

1шт.

12

H434163

DUST CAP

2шт.

13

84283583

GUARD,34mm ID x 1090mm L

34mm ID x 1090mm L

1шт.

14

725403

BOLT,Hex, M8 x 1.25 x 100mm, Cl 8.8, Full Thd

2шт.

15

84283077

BAR PLATE

1шт.

16

84296899

BLOCK

1шт.

17

825-1408

NUT,M8, Cl 8

2шт.

18

84241474

DIAGNOSTIC COUPLER

Male

1шт.

19

84323544

PLATE

1шт.

20

87655042

SPECIAL WASHER,8.8mm ID x 17.5mm OD x 2.2mm Thk

2шт.

21

9992298

O-RING,0.07" Thk x 0.489" ID, -14, Cl 6, 90 Duro

1шт.

Выбрано товаров: 21