Запчасти Case 580SN (35.357.AR[01]) - 7-SPOOL, PRESSURE CONTROL VALVE, LINE (35) - HYDRAULIC SYSTEMS

Схема запчастей Case 580SN - (35.357.AR[01]) - 7-SPOOL, PRESSURE CONTROL VALVE, LINE (35) - HYDRAULIC SYSTEMS
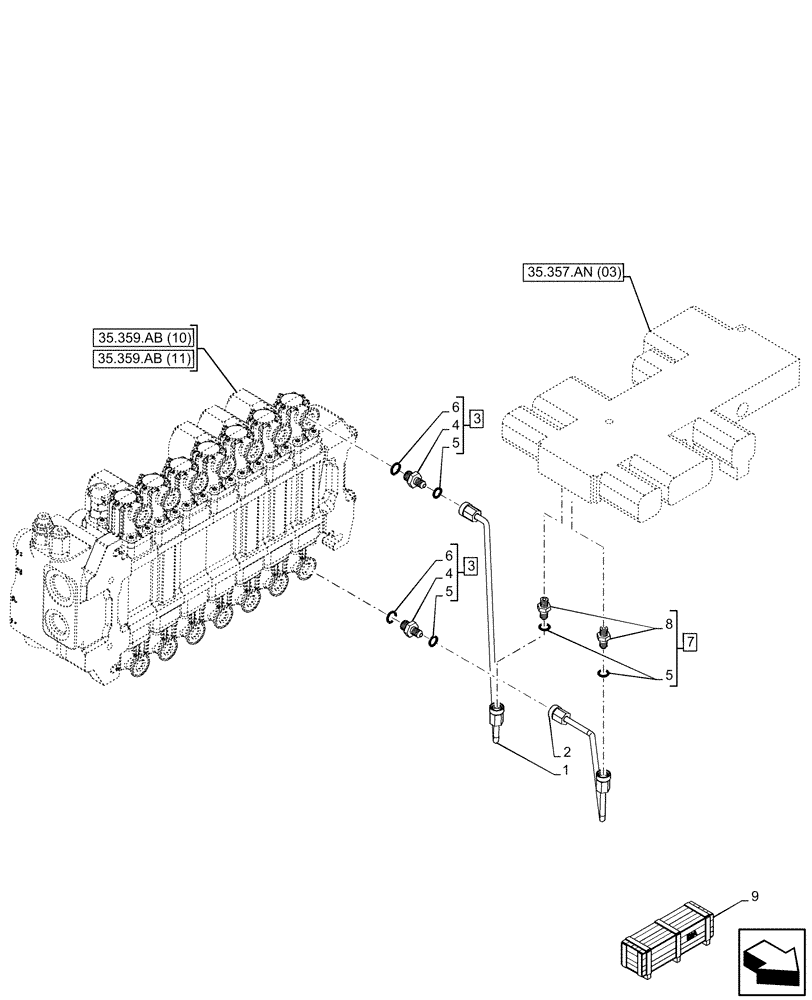
35.359.ab (10)
5
3
1
3
2
8
6
9
7
4
5
5
4
6
35.359.ab (11)
35.357.an (03)
FIT
1:1
100%

Артикул

Название

Примечание

Количество

1

87438015

HYD TUBE

Reducing Valve to AUX A 7 Spool

1шт.

2

87438012

HYD TUBE

Reducing Valve to AUX 7 Spool

1шт.

3

218-5089

HYD CONNECTOR,7/16" - 20 Male JIC x 9/16" - 18 Male ORB

ASSY, Incl 4 (Qty 1), 5 (Qty 1), 6 (Qty 1)

2шт.

4

NSS

NOT SOLD SEPARAT

Connector, Incl in 3

2шт.

5

237-6004

O-RING,0.072" Thk x 0.351" ID, -904, Cl 6, 90 Duro

4шт.

6

237-6006

O-RING,0.078" Thk x 0.468" ID, -906, Cl 6, 90 Duro

2шт.

7

218-5053

HYD CONNECTOR,7/16" - 20 JIC x 7/16" - 20 ORB

ASSY, Incl 5 (Qty 1), 8 (Qty 1)

2шт.

8

NSS

NOT SOLD SEPARAT

Connector, Incl in 7

2шт.

9

47501544

CONSTRUCTION DIA

No Auxiliary to Combo, Pilot Control, Standard Dipper, Incl 1 - 8

1шт.

Valid for 590SN Model Only

1шт.

To See Full DIA KIT Composition Look for all the Figures Where the DIA KIT P/N Is Shown

1шт.

9

47501543

CONSTRUCTION DIA

No Auxiliary to Combo, Pilot Control, Extendable Dipper, Incl 1 - 8

1шт.

Valid for 580SN, 580SN WT Models Only

1шт.

To See Full DIA KIT Composition Look for all the Figures Where the DIA KIT P/N Is Shown

1шт.

9

47661908

CONSTRUCTION DIA

Uni-Auxiliary to Combo, Pilot Control, Standard Dipper, Incl 1 - 8

1шт.

To See Full DIA KIT Composition Look for all the Figures Where the DIA KIT P/N Is Shown

1шт.

Выбрано товаров: 16