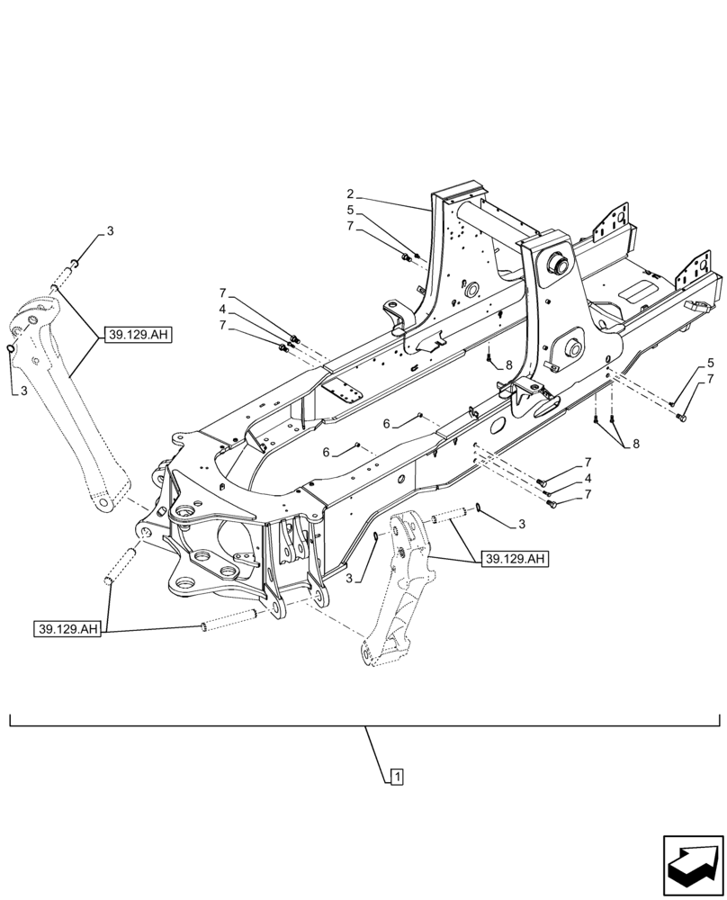
Запчасти Case 580SN (39.100.AB[02]) - MAIN FRAME (39) - FRAMES AND BALLASTING

Схема запчастей Case 580SN - (39.100.AB[02]) - MAIN FRAME (39) - FRAMES AND BALLASTING
3
7
4
5
39.129.ah
8
3
6
5
1
4
3
3
7
7
7
8
39.129.ah
2
39.129.ah
7
6
7
FIT
1:1
100%

Артикул

Название

Примечание

Количество

1

47556730

FRAME

ASSY, Incl 2, 4 - 8

1шт.

See Chassis Component also in Figures 39.100.AB (01)

1шт.

2

NSS

NOT SOLD SEPARAT

Frame, Incl in 1

1шт.

3

103-16175

SNAP RING,#175, Ext

4шт.

4

300389

BOLT,M12 x 1.75 x 35mm, Cl 8.8

2шт.

5

388113

BOLT,Hex, M12 x 1.75 x 16mm, Cl 8.8, Full Thd

2шт.

6

185356A1

BOSS

2шт.

7

73172048

BOLT,Hex, M20 x 2.5 x 35mm, Cl 8.8, Full Thd

6шт.

8

9706687

BOLT,M12 x 1.75 x 30mm, Cl 8.8

3шт.

Выбрано товаров: 9