Запчасти Case 580SN (39.129.AH) - STABILIZER (39) - FRAMES AND BALLASTING

Схема запчастей Case 580SN - (39.129.AH) - STABILIZER (39) - FRAMES AND BALLASTING
3
9
39.100.ab (02)
4
1
9
39.100.ab (01)
5
4
7
5
4
5
8
39.100.ab (01)
5
5
8
39.100.ab (01)
7
2
1
9
39.100.ab (02)
4
5
39.100.ab (02)
2
6
39.100.ab (01)
39.100.ab (02)
5
3
3
6
3
39.100.ab (02)
9
FIT
1:1
100%

Артикул

Название

Примечание

Количество

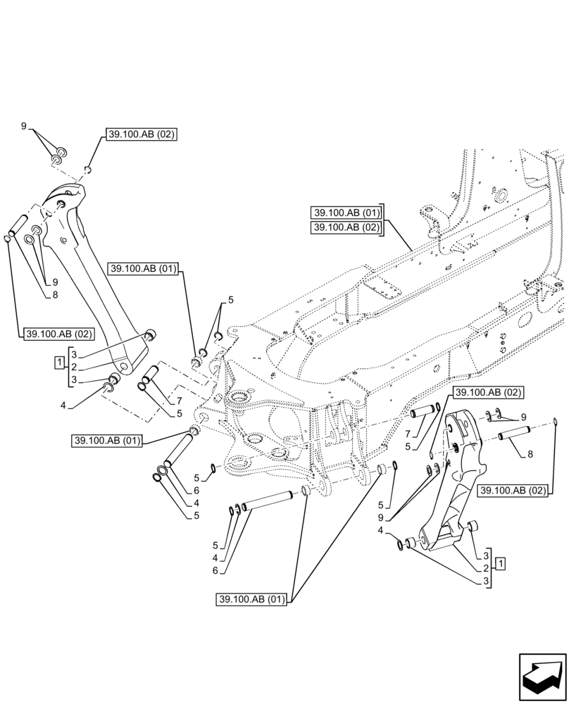
1

84300023

STABILIZER

ASSY, Incl 2 (Qty 1), 3 (Qty 2)

2шт.

2

NSS

NOT SOLD SEPARAT

Stabilizer, Incl in 1

2шт.

3

84229922

BUSHING,55.19mm ID x 65mm OD x 38mm L

4шт.

4

84231927

SHIM,57mm ID x 70mm OD x 2.77mm Thk

4шт.

5

84233536

RING,55mm ID, Ext

8шт.

6

84243665

PIN,54.9mm OD x 305.5mm L

Stab to Chassis

2шт.

7

84243667

PIN,54.9mm OD x 148mm L

Stab Cylinder

2шт.

8

84243668

PIN,44.42mm OD x 188mm L

Stab Cylinder

2шт.

9

D143406

WASHER,38.23mm ID x 63.88mm OD x 2.9mm Thk

8шт.

Выбрано товаров: 9