Запчасти Case 580SN (55.100.DO[07]) - VAR - 423058, 423059, 423060, 423061, 423062 - POWERSHUTTLE TRANSMISSION, RIGHT SIDE CONSOLE HARNESS, FUSE BOX, RELAY - C9127 (55) - ELECTRICAL SYSTEMS

Схема запчастей Case 580SN - (55.100.DO[07]) - VAR - 423058, 423059, 423060, 423061, 423062 - POWERSHUTTLE TRANSMISSION, RIGHT SIDE CONSOLE HARNESS, FUSE BOX, RELAY - C9127 (55) - ELECTRICAL SYSTEMS
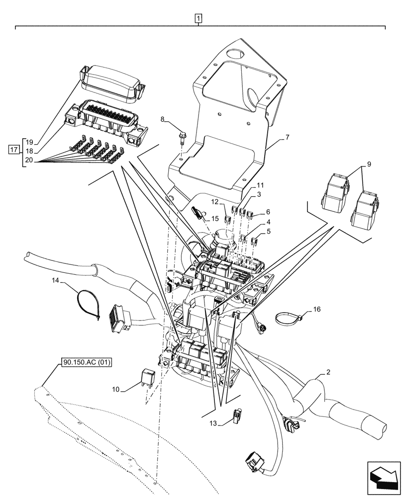
90.150.ac (01)
9
1
20
5
10
12
15
4
17
3
8
11
16
14
18
19
13
7
6
2
FIT
1:1
100%

Артикул

Название

Примечание

Количество

1

47480929

WIRE HARNESS

ASSY, Side Console, STD Transmission, Incl 2 - 20

1шт.

See Transmission Harness Components also in Figure 55.510.BN (02), 90.108.AE (07)

1шт.

2

NSS

NOT SOLD SEPARAT

Harness, Incl in 1

1шт.

3

121411A1

FUSE,7.5A, Mini, Brown

2шт.

4

121412A1

FUSE,10A, Mini, Red

6шт.

5

121413A1

FUSE,15A, Mini, Blue

1шт.

6

121416A1

FUSE,30A, Mini, Green

5шт.

7

84292270

BRACKET

Side Console

1шт.

8

845-6020

BOLT,Hvy Hex, M6 x 20mm, Cl 8.8

6шт.

9

84271717

RELAY,12V, 50A

2шт.

10

87655334

RELAY,12V, 35A, Micro

11шт.

11

121410A1

FUSE,5A, Mini, Tan

11шт.

12

121414A1

FUSE,20A, Mini, Yellow

2шт.

13

84386626

WIRE CONNECTOR

2шт.

14

84292402

CABLE TIE,203mm L

4шт.

15

87707841

CLIP,Hole DIA 6.35mm

1шт.

16

L11541

CABLE TIE,203.2mm L, Nylon

4шт.

17

84380518

FUSE BOX

ASSY, Incl 18 (Qty ), 19 (Qty 1), 20 (Qty 1)

3шт.

18

NSS

NOT SOLD SEPARAT

Support, Incl in 17

3шт.

19

84404932

COVER

3шт.

20

84342278

CONNECTING BLOCK

18шт.

Выбрано товаров: 21