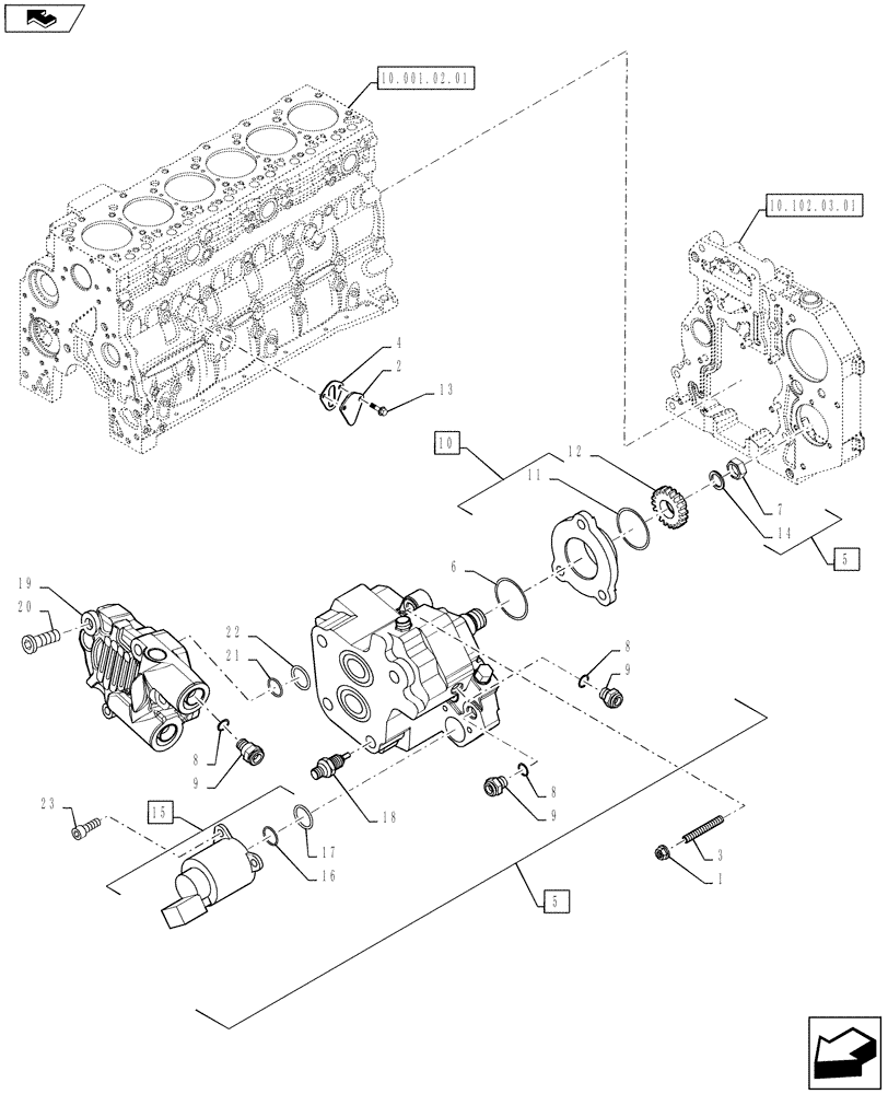
Запчасти Case 580SN (10.246.01) - INJECTION PUMP (580SN, 580SN WT, 590SN) (10) - ENGINE

Схема запчастей Case 580SN - (10.246.01) - INJECTION PUMP (580SN, 580SN WT, 590SN) (10) - ENGINE
8
10.001.02.01
10.102.03.01
7
15
3
9
2
1
home
16
8
13
9
20
12
18
8
11
5
21
6
14
5
9
22
17
10
4
23
19
FIT
1:1
100%

Артикул

Название

Примечание

Количество

1

4899003

FLANGE NUT,M8 x 1.25

3шт.

2

4896952

COVER

1шт.

3

2852488

STUD,M8 x 1,25 x 50mm

1шт.

4

4890700

GASKET,1.21mm Thk

1шт.

5

4898921

FUEL INJECTION PUMP

Incl. 6 - 9, 14 - 23

1шт.

5

4898921R

REMAN-INJECTION PUMP

1шт.

5

4898921C

CORE-INJECTION PUMP

Return Number

1шт.

6

4890088

O-RING,44mm ID x 3mm Width

1шт.

7

4890634

NUT,Hex, M18 x 1.5, RH

M18 x 1.5

1шт.

8

4891385

SEALING WASHER,12.2mm ID x 15.4mm OD x 1.5mm Thk

4шт.

9

4893962

QUICK MALE COUPLING,M12 x 1.5

4шт.

10

2852804

HUB

Incl. 11

1шт.

11

2852805

O-RING,2.6mm Thk x 72.6mm ID

1шт.

12

4893389

DRIVEN GEAR,27T

1шт.

13

2852234

FLANGE BOLT,Hex, M8 x 1.25 x 20mm

2шт.

14

4890635

SPRING WASHER

1шт.

15

42541851

SOLENOID

Fuel Shut-off; Incl. 16, 17

1шт.

16

42541850

O-RING

1шт.

17

42541849

O-RING

1шт.

18

42550486

VALVE

1шт.

19

42547619

FUEL PUMP

1шт.

20

42550487

SCREW

4шт.

21

42550488

O-RING

1шт.

22

42548060

O-RING

1шт.

23

42550932

SCREW

3шт.

Выбрано товаров: 25