Запчасти Case 580SN WT (27.106.090) - REAR AXLE, DIFFERENTIAL LOCK (27) - REAR AXLE SYSTEM

Схема запчастей Case 580SN WT - (27.106.090) - REAR AXLE, DIFFERENTIAL LOCK (27) - REAR AXLE SYSTEM
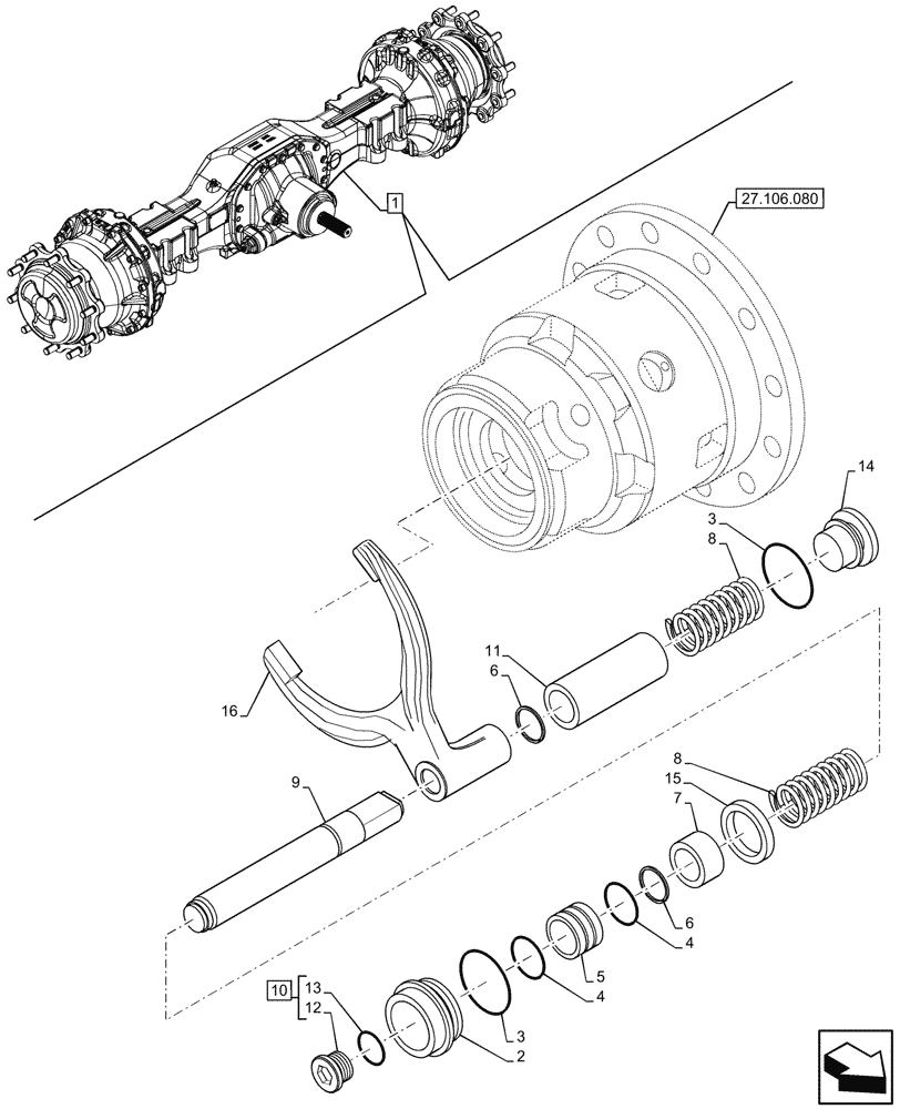
27.106.080
6
4
14
15
3
16
9
11
13
12
8
8
5
10
6
3
2
1
4
7
FIT
1:1
100%

Артикул

Название

Примечание

Количество

1

47484457

REAR AXLE

28.50 Drive 16 to 1 CW, ASSY, Incl 2 - 16

1шт.

See also Rear Axle Components in Figures 27.100.060, 27.106.070, 27.106.080, 27.120.040, 33.202.080

1шт.

2

87708413

CYLINDER

Differential Locking

1шт.

3

87708415

O-RING

2шт.

4

238-8217

O-RING,0.139" Thk x 1.171" ID, -217, Cl 8, 90 Duro

2шт.

5

292212A1

PISTON

Differential Lock

1шт.

6

87708417

CIRCLIP

Locking Ring

2шт.

7

87708420

BUSHING

1шт.

8

175966A1

SPRING

2шт.

9

87708963

SHAFT LOCK

1шт.

10

9625178

PLUG,9/16" - 18 ORB

ASSY, Incl 12, 13

1шт.

11

87708964

BUSHING

1шт.

12

NSS

NOT SOLD SEPARAT

Plug, Incl in 10

1шт.

13

9617873

O-RING,0.078" Thk x 0.468" ID, -906, Cl 6, 90 Duro

1шт.

14

87708965

PLUG

1шт.

15

84202984

SPACER

1шт.

16

87708424

FORK

1шт.

Выбрано товаров: 17