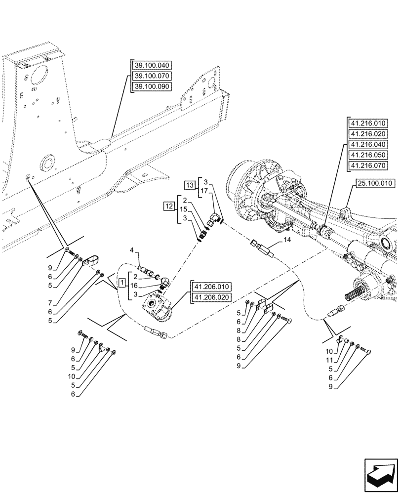
Запчасти Case 580SN WT (41.216.090) - STEERING CYLINDER HYD. LINE (41) - STEERING

Схема запчастей Case 580SN WT - (41.216.090) - STEERING CYLINDER HYD. LINE (41) - STEERING
41.216.040
8
5
6
5
10
10
9
16
5
6
9
12
6
15
2
9
3
3
5
17
1
5
5
8
13
5
6
7
6
3
14
6
2
9
11
4
6
41.216.020
41.216.010
25.100.010
41.206.010
41.216.070
41.206.020
39.100.040
41.216.050
39.100.070
39.100.090
FIT
1:1
100%

Артикул

Название

Примечание

Количество

1

9992307

90 ELBOW,90 Degree, 13/16"-16 x 3/4"-16 Adj, ORFS

ASSY, Incl 2 (Qty 1), 3 (Qty 1), 16

1шт.

2

128825

O-RING,0.087" Thk x 0.644" ID, -908, Cl 6, 90 Duro

2шт.

3

9992298

O-RING,0.07" Thk x 0.489" ID, -14, Cl 6, 90 Duro

3шт.

4

84554256

HYDRAULIC HOSE,10mm ID x 1405mm L

LH Steering, Pump to Front Axle

1шт.

5

829-1410

NUT,M10 x 1.5, Cl 10.9

7шт.

6

87655046

SPECIAL WASHER,10.65mm ID x 23mm OD x 2.2mm Thk

7шт.

7

L302731

CLAMP,19mm D Clamping Pipes

1шт.

8

D39696

CLAMP,25.40mm - 13.49mm Bolt, CTD

2шт.

9

711-10050

CARRIAGE BOLT,Sq Nk, M10 x 1.5 x 50mm, Cl 8.8

4шт.

10

515-23159

CLAMP,5/8", Insul, 3/8" Bolt

2шт.

11

120303A1

SPACER,11mm ID x 15.82mm OD x 15mm Thk

1шт.

12

9992305

HYD CONNECTOR,13/16" - 16 ORFS x 3/4" - 16 ORB

ASSY, Incl 2 (Qty 1), 3 (Qty 1), 15

1шт.

13

84989383

90 ELBOW,90 Degree, 13/16"-16 ORFS x 13/16"-16 Fem Sw

ASSY, Incl 3 (Qty 1), 17

1шт.

14

84386030

HYD TUBE

RH Steering, Pump to Front Axle

1шт.

15

NSS

NOT SOLD SEPARAT

Connector, Incl in 12

1шт.

16

NSS

NOT SOLD SEPARAT

90° Elbow, Incl in 1

1шт.

17

NSS

NOT SOLD SEPARAT

90° Elbow, Incl in 13

1шт.

Выбрано товаров: 17