Запчасти Case 580SN WT (55.024.120) - VAR - 423062 - TRANSMISSION, POWERSHIFT, COMPONENTS, CONTROL VALVE, 4WD (55) - ELECTRICAL SYSTEMS

Схема запчастей Case 580SN WT - (55.024.120) - VAR - 423062 - TRANSMISSION, POWERSHIFT, COMPONENTS, CONTROL VALVE, 4WD (55) - ELECTRICAL SYSTEMS
55.024.080
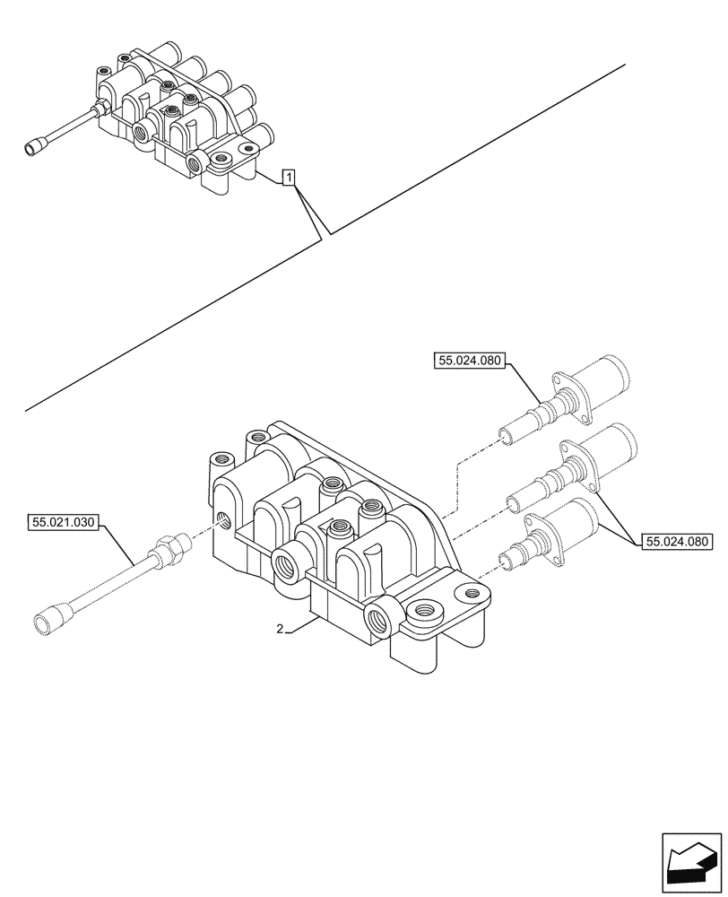
1
2
55.021.030
55.024.080
FIT
1:1
100%

Артикул

Название

Примечание

Количество

1

87705566

CONTROL VALVE

ASSY, Powershift Transmission, Incl 2

1шт.

See also Control Valve Components in Figures 55.021.030, 55.024.130

1шт.

2

87705732

VALVE BODY

1шт.

Выбрано товаров: 3