Запчасти Case 580SN WT (55.100.070) - VAR - 423058, 423059 - POWERSHUTTLE, TRANSMISSION, RIGHT SIDE, HARNESS, FUSE BOX (55) - ELECTRICAL SYSTEMS

Схема запчастей Case 580SN WT - (55.100.070) - VAR - 423058, 423059 - POWERSHUTTLE, TRANSMISSION, RIGHT SIDE, HARNESS, FUSE BOX (55) - ELECTRICAL SYSTEMS
90.150.050
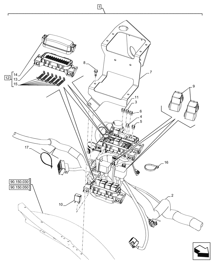
1
5
6
16
3
2
14
7
15
10
11
4
12
9
8
13
17
90.150.030
FIT
1:1
100%

Артикул

Название

Примечание

Количество

1

47714198

WIRE HARNESS

ASSY, Right Side, Standard Transmission, Incl 2 - 17

1шт.

See also Wire Harness Components in Figures 55.510.040, 90.108.110

1шт.

2

NSS

NOT SOLD SEPARAT

Harness, Incl in 1

1шт.

3

121411A1

FUSE,7.5A, Mini, Brown

2шт.

4

121412A1

FUSE,10A, Mini, Red

6шт.

5

121413A1

FUSE,15A, Mini, Blue

5шт.

6

121416A1

FUSE,30A, Mini, Green

4шт.

7

84292270

BRACKET

Side Console

1шт.

8

845-6020

BOLT,Hvy Hex, M6 x 20mm, Cl 8.8

6шт.

9

84271717

RELAY,12V, 50A

Sealed

2шт.

10

87655334

RELAY,12V, 35A, Micro

11шт.

11

121410A1

FUSE,5A, Mini, Tan

10шт.

12

84380518

FUSE BOX

ASSY, Incl 13 - 15

3шт.

13

NSS

NOT SOLD SEPARAT

Box, Incl in 12

3шт.

14

84404932

COVER

3шт.

15

84342278

CONNECTING BLOCK

15шт.

16

87000312

CABLE TIE,4.8mm W x 203.2mm OAL, Nylon

3шт.

17

84292402

CABLE TIE,203mm L

3шт.

Выбрано товаров: 18