Запчасти Case 580SN WT (90.108.130) - VAR - 423060, 423061, 423062 - DECAL, SEMI-POWERSHIFT, POWERSHIFT, TRANSMISSION, SIDE, CONSOLE, HARNESS, FUSE, RELAY (90) - PLATFORM, CAB, BODYWORK AND DECALS

Схема запчастей Case 580SN WT - (90.108.130) - VAR - 423060, 423061, 423062 - DECAL, SEMI-POWERSHIFT, POWERSHIFT, TRANSMISSION, SIDE, CONSOLE, HARNESS, FUSE, RELAY (90) - PLATFORM, CAB, BODYWORK AND DECALS
4
3
2
5
1
FIT
1:1
100%

Артикул

Название

Примечание

Количество

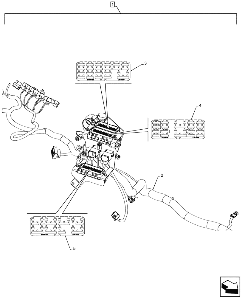
1

47714200

WIRE HARNESS

SPS/PWR Transmission, Right Side

1шт.

2

NSS

NOT SOLD SEPARAT

Harness, Incl in 1

1шт.

3

84290788

DECAL

Fuses

1шт.

4

84290785

DECAL

Fuses, Relays and Diodes

1шт.

5

84290787

DECAL

Relays

1шт.

Выбрано товаров: 0