Запчасти Case 580SN WT (35.355.060) - 6-SPOOL, BACKHOE CONTROL VALVE, MECHANICAL CONTROLS, STANDARD DIPPER, HAND SWING, W/ 2 LEVER CONTROLS, W/O DOUBLE AUXILIARY, MOUNTING PARTS (35) - HYDRAULIC SYSTEMS

Схема запчастей Case 580SN WT - (35.355.060) - 6-SPOOL, BACKHOE CONTROL VALVE, MECHANICAL CONTROLS, STANDARD DIPPER, HAND SWING, W/ 2 LEVER CONTROLS, W/O DOUBLE AUXILIARY, MOUNTING PARTS (35) - HYDRAULIC SYSTEMS
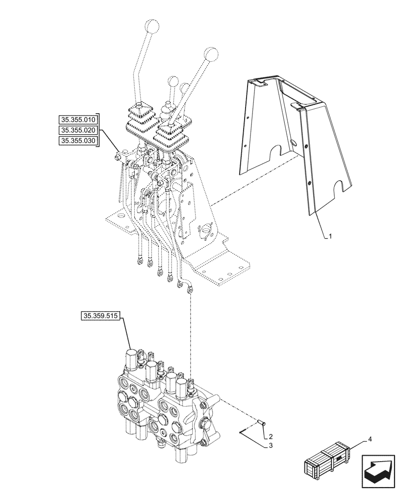
35.359.515
1
4
2
3
35.355.030
35.355.020
35.355.010
FIT
1:1
100%

Артикул

Название

Примечание

Количество

1

47946531

COVER

Console 2 Lever, Front Backhoe

1шт.

2

D149287

PIN,7.9mm OD x 26.72mm L

6шт.

3

432-612

COTTER PIN,3/32" x 3/4"

6шт.

4

47945945

CONSTRUCTION DIA

Conversion Foot Swing to 2 Lever, Incl 1, 3

1шт.

Valid for All Models, W/ Standard Dipper

1шт.

To See Full DIA KIT Composition Look for all the Figures Where the DIA KIT P/N Is Shown

1шт.

4

47945946

CONSTRUCTION DIA

Conversion Foot Swing to 2 Lever, Incl 1, 3

1шт.

Valid for All Models, W/ Extendable Dipper

1шт.

To See Full DIA KIT Composition Look for all the Figures Where the DIA KIT P/N Is Shown

1шт.

Выбрано товаров: 9