Запчасти Case 580SN WT (35.357.070) - VAR - 423078, 747669 - PILOT CONTROLS, JOYSTICK, LINE (35) - HYDRAULIC SYSTEMS

Схема запчастей Case 580SN WT - (35.357.070) - VAR - 423078, 747669 - PILOT CONTROLS, JOYSTICK, LINE (35) - HYDRAULIC SYSTEMS
35.359.485
3
9
7
6
5
5
4
7
5
1
9
5
2
7
6
6
7
8
8
6
35.726.150
35.359.480
35.726.130
35.359.490
35.726.100
35.357.060
35.357.060
35.726.120
35.359.475
FIT
1:1
100%

Артикул

Название

Примечание

Количество

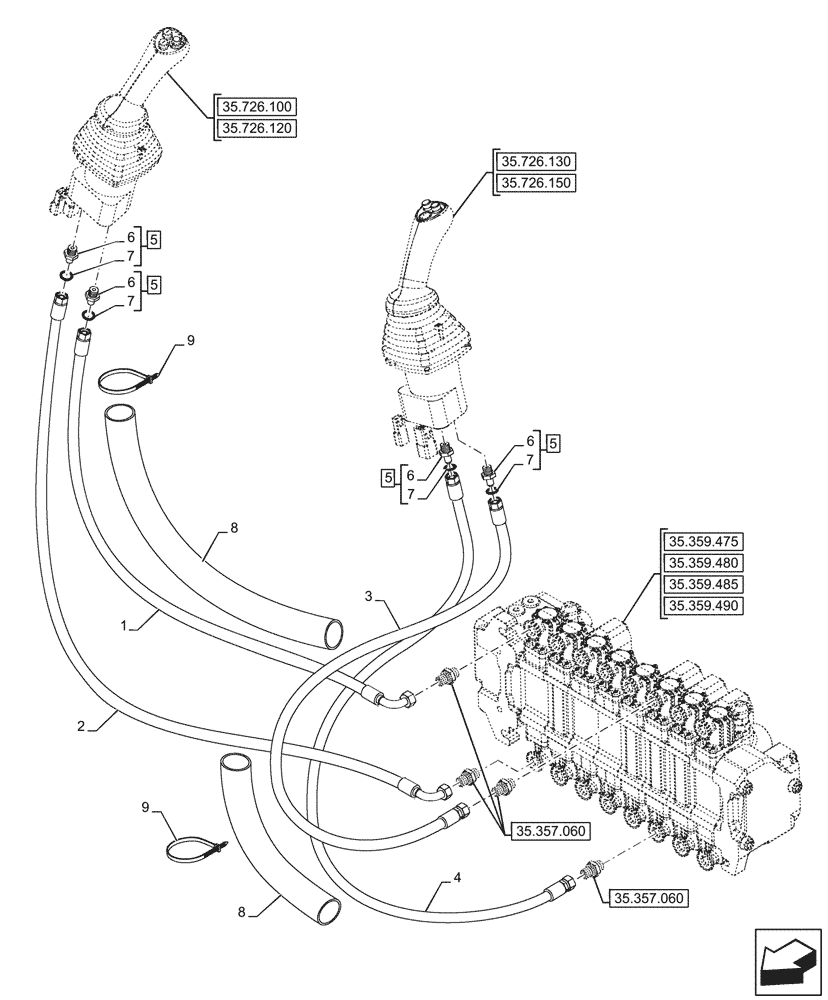
1

87437926

HYDRAULIC HOSE,6.4mm ID x 825mm L

LH Joystick 4 to Swing Port A

1шт.

2

87437925

HYDRAULIC HOSE,6.4mm ID x 1075mm L

LH Joystick 2 to Swing Port B

1шт.

3

87439033

HYDRAULIC HOSE,6.4mm ID x 915mm L

RH Joystick 4 to Bucket Port A

1шт.

4

87439032

HYDRAULIC HOSE,6.4mm ID x 1090mm L

RH Joystick 2 to Bucket Port B

1шт.

5

218-5089

HYD CONNECTOR,7/16" - 20 Male JIC x 9/16" - 18 Male ORB

ASSY, Incl 6, 7

4шт.

6

NSS

NOT SOLD SEPARAT

Connector, Incl in 5

4шт.

7

237-6008

O-RING,0.087" Thk x 0.644" ID, -908, Cl 6, 90 Duro

4шт.

8

191703A1

HOSE PROTECTION,28mm ID x 34mm OD x 400mm L

2шт.

9

L11541

CABLE TIE,203.2mm L, Nylon

2шт.

Выбрано товаров: 0