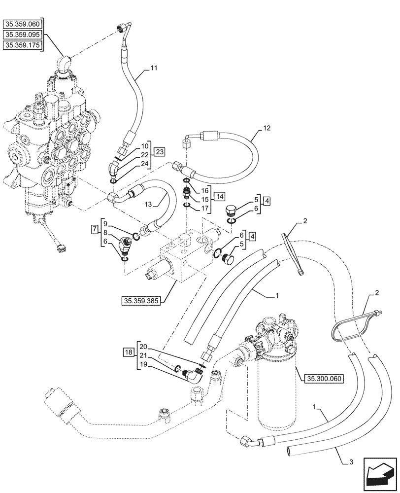
Запчасти Case 580SN WT (35.359.395) - VAR - 747776, 747864 - LOADER, AUXILIARY CONTROL VALVE, OIL FILTER, LINE (35) - HYDRAULIC SYSTEMS

Схема запчастей Case 580SN WT - (35.359.395) - VAR - 747776, 747864 - LOADER, AUXILIARY CONTROL VALVE, OIL FILTER, LINE (35) - HYDRAULIC SYSTEMS
35.359.060
11
9
6
17
16
2
6
14
1
24
1
13
8
12
18
23
21
5
6
7
15
19
2
4
4
10
5
3
20
22
35.359.095
35.300.060
35.359.175
35.359.385
FIT
1:1
100%

Артикул

Название

Примечание

Количество

1

84255991

HOSE ASSY.,10mm ID x 1283mm L

Clam Tank to Oil Filter Line

1шт.

2

L18331

CABLE TIE,375.9mm L, Nylon, Black

2шт.

3

84284222

GUARD,19mm ID x 1140mm L

1шт.

4

218-5156

PLUG,Hex Hd, 3/4"-16 ORB

ASSY, Incl 5, 6 (Qty 1)

1шт.

5

NSS

NOT SOLD SEPARAT

Plug, Incl in 4

1шт.

6

237-6008

O-RING,0.087" Thk x 0.644" ID, -908, Cl 6, 90 Duro

2шт.

7

201-315

ELBOW,45 Degree Elbow, 11/16" - 16 Male ORFS x 9/16" - 18 Male ORB

ASSY, Incl 6 (Qty 1), 8, 9

1шт.

8

NSS

NOT SOLD SEPARAT

45° Elbow, Incl in 7

1шт.

9

238-6014

O-RING,0.07" Thk x 0.489" ID, -14, Cl 6, 90 Duro

1шт.

10

237-6006

O-RING,0.078" Thk x 0.468" ID, -906, Cl 6, 90 Duro

1шт.

11

84260774

TUBE

Clam Pilot A to Loader Valve

1шт.

12

84256410

HOSE ASSY.,6.3mm ID x 488mm L

Clam Pilot B to Loader Valve

1шт.

13

84391231

HYDRAULIC HOSE,10mm ID x 387mm L

Clam Pressure to Loader Valve

1шт.

14

87681202

HYD CONNECTOR,9/16" - 18 ORFS x 7/16" - 20 ORB

ASSY, Incl 15 - 17

1шт.

15

NSS

NOT SOLD SEPARAT

Connector, Incl in 14

1шт.

16

9825770

O-RING,0.07" Thk x 0.301" ID, -11, Cl 6, 90 Duro

1шт.

17

165202

O-RING,0.072" Thk x 0.351" ID, -904, Cl 6, 90 Duro

1шт.

18

9840543

90 ELBOW,90 Degree, 11/16"-16 x 9/16"-18 Adj, ORFS

ASSY, Incl 19 - 21

1шт.

19

NSS

NOT SOLD SEPARAT

90° Elbow, Incl in 18

1шт.

20

9993141

O-RING,0.07" Thk x 0.364" ID, -12, Cl 6, 90 Duro

1шт.

21

9617873

O-RING,0.078" Thk x 0.468" ID, -906, Cl 6, 90 Duro

1шт.

22

NSS

NOT SOLD SEPARAT

Elbow, Incl in 23

1шт.

23

201-331

ELBOW,45 Degree, 9/16"-18 x 7/16"-20. Adj, ORFS

ASSY, Incl 10, 22, 24

1шт.

24

237-6004

O-RING,0.072" Thk x 0.351" ID, -904, Cl 6, 90 Duro

1шт.

Выбрано товаров: 24