Запчасти Case 580SN WT (35.359.520) - 6-SPOOL, BACKHOE CONTROL VALVE, STANDARD DIPPER, HAND SWING, W/ 2 LEVER CONTROLS, W/O DOUBLE AUXILIARY HYDRAULIC, COMPONENTS (35) - HYDRAULIC SYSTEMS

Схема запчастей Case 580SN WT - (35.359.520) - 6-SPOOL, BACKHOE CONTROL VALVE, STANDARD DIPPER, HAND SWING, W/ 2 LEVER CONTROLS, W/O DOUBLE AUXILIARY HYDRAULIC, COMPONENTS (35) - HYDRAULIC SYSTEMS
12
28
14
6
19
11
1
15
33
25
8
17
27
19
29
32
26
18
16
4
7
16
34
20
21
30
2
22
5
9
23
10
24
13
31
3
10
FIT
1:1
100%

Артикул

Название

Примечание

Количество

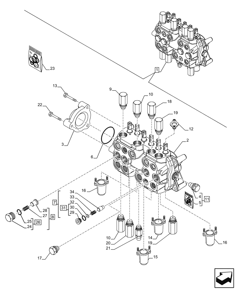
1

47578529

VALVE

ASSY, 6 Sppol, Hand Swing, Incl 2 - 34

1шт.

1

47578529R

REMAN-HYD VALVE

Reman Valve ASSY, 6 Sppol, Hand Swing, Incl 2 - 34

1шт.

1

47578529C

CORE-VALVE HYD

Return Number

1шт.

2

NSS

NOT SOLD SEPARAT

Block, Incl in 1

1шт.

3

87433030

OUTLET

Outlet

1шт.

4

NSS

NOT SOLD SEPARAT

Anti Void Valve, Incl in 11

1шт.

5

87455580

O-RING KIT

Backhoe Control Valve, Anti-Void Check Valve

1шт.

6

87428495

O-RING,3.50" ID x 3.76" OD x .139" thk

1шт.

7

87428486

VALVE, CHECK

ASSY, Incl 29 - 34

1шт.

8

87426238

VALVE, CHECK

ASSY, Incl 24 - 28

3шт.

9

47520553

VALVE PRESSURE RELIE

Bucket A Port

1шт.

10

47520548

VALVE PRESSURE RELIE

283 Bar

2шт.

11

81868381

CHECK VALVE,1-1/16" - 12

ASSY, Anti Void, Incl 4, 5

1шт.

12

84315193

SEAL

6шт.

13

87428491

SCREW,Hex

4шт.

14

84296862

KIT

Mech Boom B Port End Group

1шт.

15

84296826

SERVICE KIT

Mechanical Stabilizer End Group B Port

2шт.

16

84296859

KIT

Mechanical Backhoe Valve B Port End G

3шт.

17

47538073

CHECK VALVE

2шт.

18

47537935

VALVE PRESSURE RELIE,221 Bar

1шт.

19

47520547

VALVE PRESSURE RELIE,205 Bar

Swing 207 Bar

2шт.

20

47520549

VALVE PRESSURE RELIE

Dipper B Port

1шт.

21

47520550

VALVE PRESSURE RELIE

Boom B Port

1шт.

22

87428492

SCREW,Hex

1шт.

23

47537934

SEAL KIT

Mechanical Backhoe Valve Seal

1шт.

24

NSS

NOT SOLD SEPARAT

Plug, Incl in 26

3шт.

25

87455975

O-RING

3шт.

26

87455581

PLUG,Hex, 1/16" - 12 ORB

ASSY, Incl 24, 25

3шт.

27

87455582

SPRING

3шт.

28

87455583

VALVE POPPET

Load Check

3шт.

29

NSS

NOT SOLD SEPARAT

Plug, Incl in 31

1шт.

30

87455974

O-RING,0.097" Thk x 0.755" ID

1шт.

31

87455593

PLUG,7/8" - 14 ORB

ASSY, Incl 29, 30

1шт.

32

87455594

WASHER

Plastic

1шт.

33

87455595

SPRING

1шт.

34

87455596

PISTON

Poppet, Low Leak

1шт.

Выбрано товаров: 36