Запчасти Case 580SN WT (35.732.010) - STABILIZER, CONTROLS, PILOT CONTROLS, LINES (35) - HYDRAULIC SYSTEMS

Схема запчастей Case 580SN WT - (35.732.010) - STABILIZER, CONTROLS, PILOT CONTROLS, LINES (35) - HYDRAULIC SYSTEMS
35.732.020
16
22
25
4
3
2
4
4
31
26
29
12
5
20
13
33
32
3
11
19
7
9
8
3
24
10
26
14
3
33
24
1
18
31
21
14
30
28
25
6
27
5
32
2
15
1
12
6
17
11
29
30
23
13
28
23
35.300.060
4
35.703.130
35.703.130
35.359.620
35.359.575
35.359.650
35.525.130
35.732.020
FIT
1:1
100%

Артикул

Название

Примечание

Количество

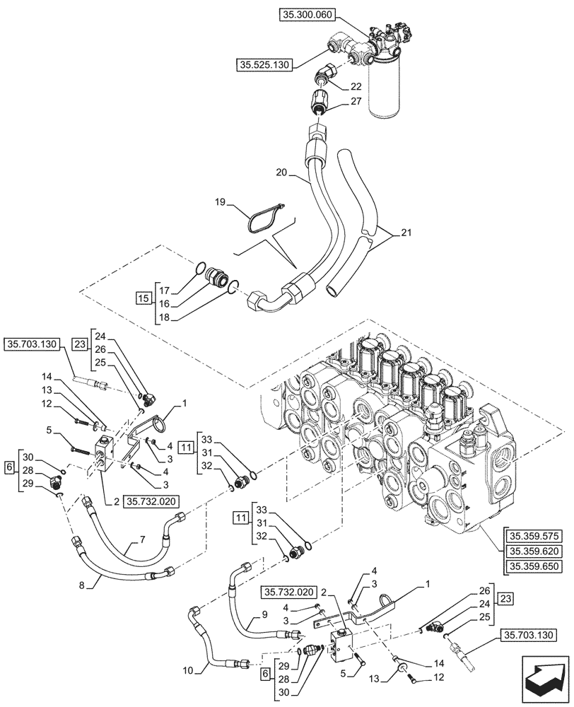
1

87450318

BRACKET

Check Valve Mounting, Power Tan

2шт.

2

85802820

CHECK VALVE

ASSY, Stabilizer, Load

2шт.

3

87655042

SPECIAL WASHER,8.8mm ID x 17.5mm OD x 2.2mm Thk

6шт.

4

829-1408

NUT,Hex, M8 x 1.25, Cl 10.9

6шт.

5

814-8055

BOLT,Hex, M8 x 1.25 x 55mm, Cl 8.8

4шт.

6

201-321

ELBOW,45 Degree Elbow, 13/16" - 16 Male ORFS x 9/16" - 18 Male ORB

ASSY, Incl 28 - 30

4шт.

7

84256420

HYD TUBE,10mm ID x 529mm L

10mm ID x 529mm L, Stabilizer Check to Backhoe Valve

1шт.

8

84256421

HYD TUBE,10mm ID x 410mm L

10mm ID x 410mm L, Stabilizer Check to Backhoe Valve

1шт.

9

84256418

HYD TUBE,10mm ID x 455mm L

10mm ID x 455mm L, Stabilizer Check to Backhoe Valve

1шт.

10

84256419

HYD TUBE,10mm ID x 355mm L

10mm ID x 355mm L, Stabilizer Check to Backhoe Valve

1шт.

11

87582906

HYD CONNECTOR,13/16" - 16 ORFS x 1-1/16" - 12 ORB

ASSY, Incl 31 - 33

4шт.

12

814-8035

BOLT,Hex, M8 x 1.25 x 35mm, Cl 8.8

2шт.

13

87687101

WASHER,10.65mm ID x 31mm OD x 3.3mm Thk

2шт.

14

87437840

SPACER,11.5mm L

11.5mm L

2шт.

15

9824055

HYD CONNECTOR,1-7/16" - 12 ORFS x 1-5/16" - 12 ORB

ASSY, Incl 16 - 18

1шт.

16

NSS

NOT SOLD SEPARAT

Connector, Incl in 15

1шт.

17

167268

O-RING,0.116" Thk x 1.171" ID, -916, Cl 6, 90 Duro

1шт.

18

9824050

O-RING,0.07" Thk x 0.926" ID, -21, Cl 6, 90 Duro

1шт.

19

L11541

CABLE TIE,203.2mm L, Nylon

1шт.

20

47810346

HYDRAULIC HOSE,25mm ID x 924mm L

Backhoe to Filter

1шт.

21

87656501

HOSE PROTECTION,340.00 mm ID x 540.00 mm

1шт.

22

84256602

45 ELBOW,16 ORB Male x 16 ORFS Female

1шт.

23

9840543

90 ELBOW,90 Degree, 11/16"-16 x 9/16"-18 Adj, ORFS

ASSY, Incl 24 - 26

4шт.

24

NSS

NOT SOLD SEPARAT

90° Elbow, Incl in 23

4шт.

25

9993141

O-RING,0.07" Thk x 0.364" ID, -12, Cl 6, 90 Duro

4шт.

26

9617873

O-RING,0.078" Thk x 0.468" ID, -906, Cl 6, 90 Duro

4шт.

27

84377913

CHECK VALVE

1шт.

28

NSS

NOT SOLD SEPARAT

45° Elbow, Incl in 6

4шт.

29

238-6014

O-RING,0.07" Thk x 0.489" ID, -14, Cl 6, 90 Duro

4шт.

30

238-6011

O-RING,0.07" Thk x 0.301" ID, -11, Cl 6, 90 Duro

4шт.

31

NSS

NOT SOLD SEPARAT

Connector, Incl in 11

4шт.

32

167266

O-RING,0.116" Thk x 0.924" ID, -912, Cl 6, 90 Duro

4шт.

33

9992298

O-RING,0.07" Thk x 0.489" ID, -14, Cl 6, 90 Duro

4шт.

Выбрано товаров: 33