Запчасти Case 580SN WT (41.200.070) - LOADER, CONTROL VALVE, PILOT CONTROLS, 2-SPOOL, STEERING VALVE, LINE (41) - STEERING

Схема запчастей Case 580SN WT - (41.200.070) - LOADER, CONTROL VALVE, PILOT CONTROLS, 2-SPOOL, STEERING VALVE, LINE (41) - STEERING
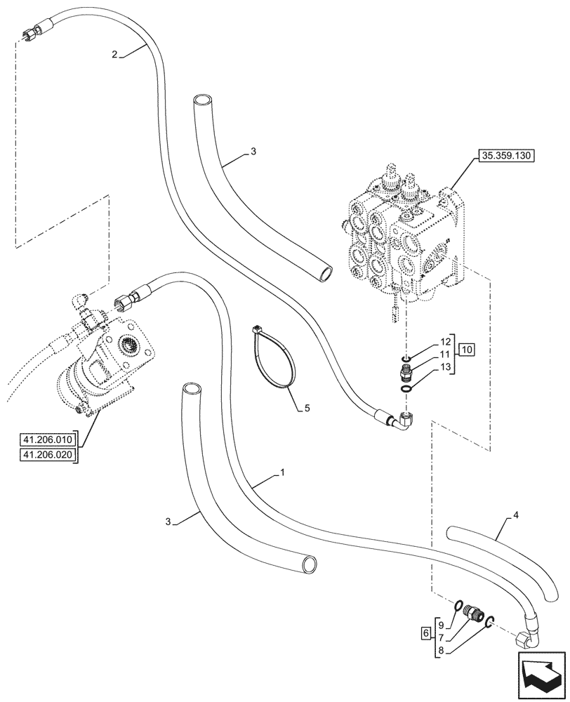
41.206.010
6
13
11
1
8
10
12
3
7
9
5
3
2
4
41.206.020
35.359.130
FIT
1:1
100%

Артикул

Название

Примечание

Количество

1

84358584

HOSE ASSY.,12.5mm ID x 1617mm L

Loader Valve to Steering Pump, Pressure

1шт.

2

84284694

HOSE ASSY.,6.3mm ID x 1446mm L

Loader Valve to Steering Pump, LS Pilot

1шт.

3

84329867

HOSE PROTECTION,26.87mm ID x 590mm L

2шт.

4

84336430

HOSE PROTECTION

1шт.

5

L18331

CABLE TIE,375.9mm L, Nylon, Black

1шт.

6

9992305

HYD CONNECTOR,13/16" - 16 ORFS x 3/4" - 16 ORB

ASSY, Incl 7 - 9

1шт.

7

NSS

NOT SOLD SEPARAT

Connector, Incl in 6

1шт.

8

9992298

O-RING,0.07" Thk x 0.489" ID, -14, Cl 6, 90 Duro

1шт.

9

128825

O-RING,0.087" Thk x 0.644" ID, -908, Cl 6, 90 Duro

1шт.

10

9993143

HYD CONNECTOR,11/16" - 16 ORFS x 9/16" - 18 ORB

ASSY, Incl 11 - 13

1шт.

11

NSS

NOT SOLD SEPARAT

Connector, Incl in 10

1шт.

12

9617873

O-RING,0.078" Thk x 0.468" ID, -906, Cl 6, 90 Duro

1шт.

13

9993141

O-RING,0.07" Thk x 0.364" ID, -12, Cl 6, 90 Duro

1шт.

Выбрано товаров: 13