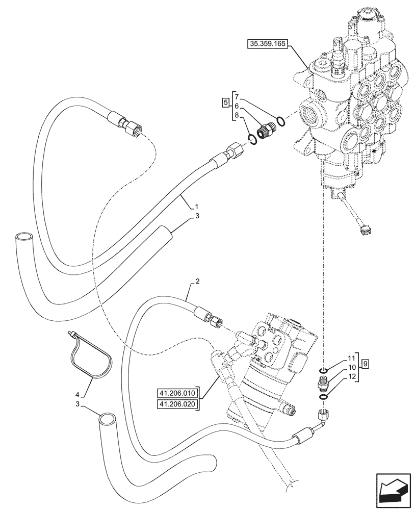
Запчасти Case 580SN WT (41.200.080) - LOADER, CONTROL VALVE, MECHANICAL, 3-SPOOL, STEERING VALVE, LINE (41) - STEERING

Схема запчастей Case 580SN WT - (41.200.080) - LOADER, CONTROL VALVE, MECHANICAL, 3-SPOOL, STEERING VALVE, LINE (41) - STEERING
41.206.010
12
9
11
5
2
4
10
3
3
1
8
6
7
41.206.020
35.359.165
FIT
1:1
100%

Артикул

Название

Примечание

Количество

1

84280705

HOSE ASSY.,6.3mm ID x 1275mm L

Steering Pilot, Pump to Loader Valve

1шт.

2

84358585

HOSE ASSY.,12.5mm ID x 1200mm L

Steering Pressure, Pump to Loader Valve

1шт.

3

84329867

HOSE PROTECTION,26.87mm ID x 590mm L

2шт.

4

L18331

CABLE TIE,375.9mm L, Nylon, Black

1шт.

5

9992305

HYD CONNECTOR,13/16" - 16 ORFS x 3/4" - 16 ORB

ASSY, Incl 6 - 8

1шт.

6

NSS

NOT SOLD SEPARAT

Connector, Incl in 5

1шт.

7

128825

O-RING,0.087" Thk x 0.644" ID, -908, Cl 6, 90 Duro

1шт.

8

9992298

O-RING,0.07" Thk x 0.489" ID, -14, Cl 6, 90 Duro

1шт.

9

201-111

HYD CONNECTOR,9/16" - 18 Male ORFS x 9/16" - 18 Male ORB

ASSY, Incl 10 - 12

1шт.

10

NSS

NOT SOLD SEPARAT

Connector, Incl in 9

1шт.

11

238-6011

O-RING,0.07" Thk x 0.301" ID, -11, Cl 6, 90 Duro

1шт.

12

237-6006

O-RING,0.078" Thk x 0.468" ID, -906, Cl 6, 90 Duro

1шт.

Выбрано товаров: 12