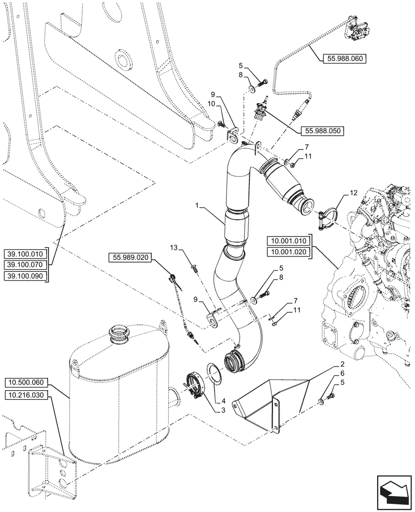
Запчасти Case 580SN WT (10.254.020) - EXHAUST SYSTEM, EXHAUST PIPE (10) - ENGINE

Схема запчастей Case 580SN WT - (10.254.020) - EXHAUST SYSTEM, EXHAUST PIPE (10) - ENGINE
39.100.090
10
5
7
9
12
3
8
13
5
8
9
6
11
4
11
2
5
1
7
10.216.030
39.100.010
55.988.060
10.001.010
10.001.020
10.500.060
55.989.020
55.988.050
39.100.070
FIT
1:1
100%

Артикул

Название

Примечание

Количество

1

47870329

PLASTIC-RUBBER TUBE,Turbo to SCR

1шт.

2

47602256

SHIELD

Power Tan

1шт.

3

47640901

PIPE CLAMP,84.5mm OD, 1/4-28”

1шт.

4

47489270

GASKET,58.9mm ID

1шт.

5

614-10035

BOLT,Hex, M10 x 1.5 x 35mm, Cl 8.8, Full Thd

2шт.

6

895-11010

WASHER,11mm ID x 20mm OD x 2mm Thk

3шт.

7

896-15010

WASHER,11mm ID x 24mm OD x 3mm Thk

2шт.

8

895-25010

WASHER,11mm ID x 30mm OD x 2.5mm Thk

2шт.

9

47870320

BRACKET

2шт.

10

614-10025

BOLT,Hex, M10 x 1.5 x 25mm, Cl 8.8

3шт.

11

829-1410

NUT,M10 x 1.5, Cl 10.9

2шт.

12

84409146

PIPE CLAMP,63.5mm - 70mm

1шт.

13

811-10025

CARRIAGE BOLT,Sht Sq Nk, M10 x 1.5 x 25mm, Cl 8.8

2шт.

Выбрано товаров: 13