Запчасти Case 580SN WT (90.124.140) - VAR - 745161 - SEAT AIR SUSPENSION, CLOTH, SUSPENSION, COMPONENTS (90) - PLATFORM, CAB, BODYWORK AND DECALS

Схема запчастей Case 580SN WT - (90.124.140) - VAR - 745161 - SEAT AIR SUSPENSION, CLOTH, SUSPENSION, COMPONENTS (90) - PLATFORM, CAB, BODYWORK AND DECALS
2
4
15
5
2
4
2
1
2
2
2
11
4
16
16
5
5
18
3
10
5
2
6
8
15
2
17
14
2
13
4
2
7
12
3
7
15
14
5
6
9
2
2
6
2
2
15
2
2
3
2
FIT
1:1
100%

Артикул

Название

Примечание

Количество

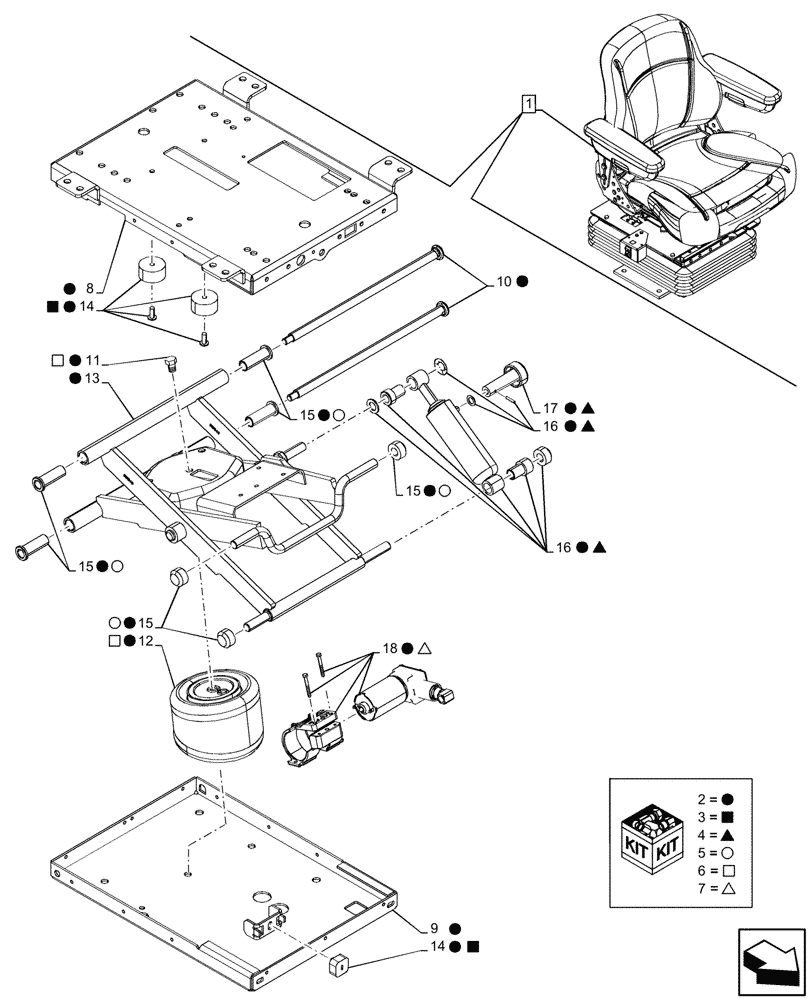
1

47939207

DRIVER SEAT

ASSY, Cloth, Gray Fabric, Incl 2 - 18

1шт.

See also Driver Seat Components in Figures 55.512.280, 90.124.120, 90.124.130, 90.124.150

1шт.

2

84276127

SERVICE KIT

ASSY, Air Suspension, Incl 3 - 18

1шт.

3

87475838

SERVICE KIT

Bumper

1шт.

4

87475837

SERVICE KIT

ASSY, Shock Absorber, Incl 16, 17

1шт.

5

87475841

BEARING SET

1шт.

6

87475834

SERVICE KIT

Airline and Fitting

1шт.

7

84425821

SERVICE KIT

Compressor, Ind. Boxed Service

1шт.

8

87475830

SERVICE KIT

Upper Housing Weldment

1шт.

9

86556264

HOUSING

Lower Housing Weldment

1шт.

10

NSS

NOT SOLD SEPARAT

Shaft, Incl in 2, Incl in 1

1шт.

11

82020819

KIT

Air Spring Service

1шт.

12

9845760

SPRING

Air

1шт.

13

87475831

SERVICE KIT

Suspension Arm Weldment

1шт.

14

NSS

NOT SOLD SEPARAT

Bumper, Incl in 2, Incl in 1

1шт.

15

NSS

NOT SOLD SEPARAT

Roller, Incl in 2, Incl in 1

1шт.

16

NSS

NOT SOLD SEPARAT

Shock Absorber, Incl in 2, Incl in 1

1шт.

17

87347974

SERVICE KIT

Knob

1шт.

18

NSS

NOT SOLD SEPARAT

Compressor, Incl in 2, 7, Incl in 1

1шт.

Выбрано товаров: 19