Запчасти Case 580SN WT (35.106.AS[02]) - VAR - 423080 - HYDRAULIC SYSTEM, DRAIN LINE, MECHANICAL (35) - HYDRAULIC SYSTEMS

Схема запчастей Case 580SN WT - (35.106.AS[02]) - VAR - 423080 - HYDRAULIC SYSTEM, DRAIN LINE, MECHANICAL (35) - HYDRAULIC SYSTEMS
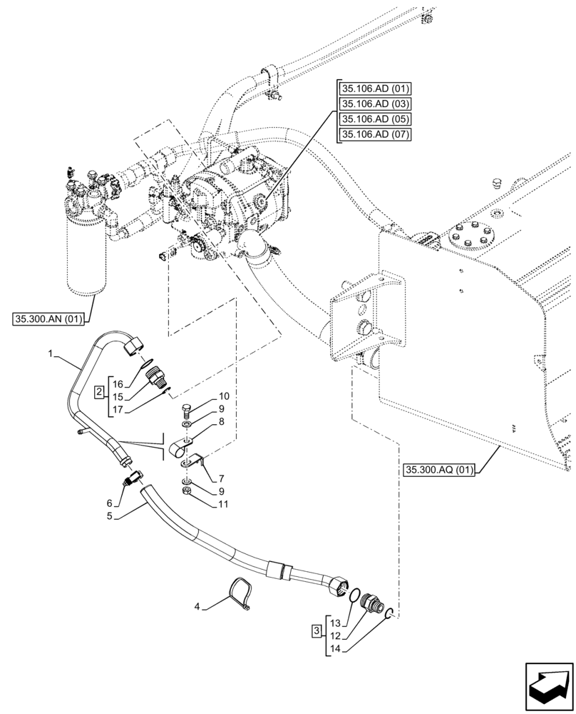
13
10
9
35.106.ad (07)
35.300.an (01)
8
16
1
7
6
35.106.ad (03)
4
15
12
35.106.ad (01)
14
35.300.aq (01)
9
3
2
11
17
5
35.106.ad (05)
FIT
1:1
100%

Артикул

Название

Примечание

Количество

1

47642022

TUBE

Drain Return, Mechanical Control

1шт.

2

201-163

FITTING

ASSY, Incl 15 - 17

1шт.

3

87303844

HYD CONNECTOR,1-7/16" - 12 ORFS x 1-1/16" - 12 ORB

ASSY, Incl 12 - 14

1шт.

4

L18331

CABLE TIE,375.9mm L, Nylon, Black

1шт.

5

47642024

TUBE,25.4mm ID x 450 mm L

450mm L, Return

1шт.

6

277678A1

CLAMP,Constant Torque 1 1/8 Inch

1шт.

7

47637495

PLATE

1шт.

8

86639000

CLAMP,23.8mm, Coat, 11.9mm Bolt Hole, P Type

1шт.

9

895-11010

WASHER,11mm ID x 20mm OD x 2mm Thk

2шт.

10

627-10025

BOLT,Hex, M10 x 1.5 x 25mm, Cl 10.9, Full Thd

1шт.

11

829-1410

NUT,M10 x 1.5, Cl 10.9

1шт.

12

NSS

NOT SOLD SEPARAT

Connector, Incl in 3

1шт.

13

9824050

O-RING,0.07" Thk x 0.926" ID, -21, Cl 6, 90 Duro

1шт.

14

167266

O-RING,0.116" Thk x 0.924" ID, -912, Cl 6, 90 Duro

1шт.

15

NSS

NOT SOLD SEPARAT

Connector, Incl in 2

1шт.

16

238-6021

O-RING,15/16 X 1 - 1/16, Cl 6

1шт.

17

237-6010

O-RING,0.097" Thk x 0.755" ID, -910, Cl 6, 90 Duro

1шт.

Выбрано товаров: 17