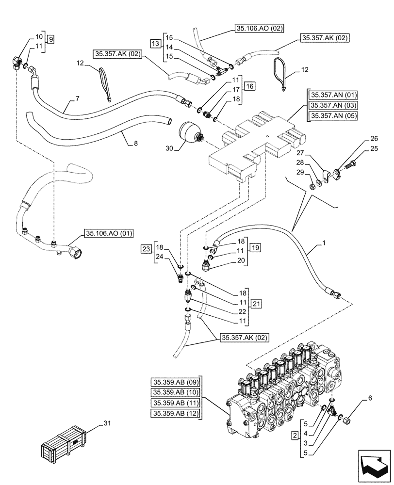
Запчасти Case 580SN WT (35.357.AO[01]) - VAR - 423078 - BACKHOE ARM, PILOT CONTROLS, LINE (35) - HYDRAULIC SYSTEMS

Схема запчастей Case 580SN WT - (35.357.AO[01]) - VAR - 423078 - BACKHOE ARM, PILOT CONTROLS, LINE (35) - HYDRAULIC SYSTEMS
35.357.an (05)
3
5
18
8
11
31
12
18
21
15
23
10
16
12
4
2
9
28
30
11
22
24
6
5
19
7
14
1
11
27
11
25
18
29
20
13
18
17
15
11
26
35.357.ak (02)
35.357.ak (02)
35.357.ak (02)
35.357.an (03)
35.357.an (01)
35.359.ab (09)
35.359.ab (12)
35.359.ab (11)
35.106.ao (01)
35.106.ao (02)
35.359.ab (10)
FIT
1:1
100%

Артикул

Название

Примечание

Количество

1

84405440

HYDRAULIC HOSE,6.3mm ID x 742mm L

Reducing valve Pressure to B

1шт.

2

201-401

TEE,11/16"-16 x 9/16"-18 Br, ORFS

ASSY, Incl 3 - 5

1шт.

3

NSS

NOT SOLD SEPARAT

Tee, Incl in 2

1шт.

4

238-6012

O-RING,0.07" Thk x 0.364" ID, -12, Cl 6, 90 Duro

1шт.

5

238-6011

O-RING,0.07" Thk x 0.301" ID, -11, Cl 6, 90 Duro

2шт.

6

87331950

CAP ASSY.,Hex, 11/16"-16

1шт.

7

84514724

HOSE ASSY.,10mm ID x 870mm L

Return to Manifold, 870mm L

1шт.

8

84249061

HOSE PROTECTION,19mm ID x 820mm L

1шт.

9

84989392

ELBOW,90 Degree, 11/16"-16 ORFS x 11/16"-16 Fem Sw

ASSY, Incl 10, 11 (Qty 1)

1шт.

10

NSS

NOT SOLD SEPARAT

90° Elbow, Incl in 9

1шт.

11

9993141

O-RING,0.07" Thk x 0.364" ID, -12, Cl 6, 90 Duro

5шт.

12

L18331

CABLE TIE,375.9mm L, Nylon, Black

2шт.

13

218-593

TEE,9/16"-18, 37 Degree

ASSY, Incl 14, 15

1шт.

14

NSS

NOT SOLD SEPARAT

Tee, Incl in 13

1шт.

15

237-6006

O-RING,0.078" Thk x 0.468" ID, -906, Cl 6, 90 Duro

2шт.

16

9993143

HYD CONNECTOR,11/16" - 16 ORFS x 9/16" - 18 ORB

ASSY, Incl 11 (Qty 1), 17, 18 (Qty 1)

1шт.

17

NSS

NOT SOLD SEPARAT

Connector, Incl in 16

1шт.

18

9617873

O-RING,0.078" Thk x 0.468" ID, -906, Cl 6, 90 Duro

4шт.

19

9840543

90 ELBOW,90 Degree, 11/16"-16 x 9/16"-18 Adj, ORFS

ASSY, Incl 11 (Qty 1), 18 (Qty 1), 20

1шт.

20

NSS

NOT SOLD SEPARAT

90° Elbow, Incl in 19

1шт.

21

218-5243

TEE,9/16" - 18 Male JIC x 9/16" - 18 Male JIC x 9/16" - 18 Male ORB

ASSY, Incl 11 (Qty 2), 18 (Qty 1), 22

1шт.

22

NSS

NOT SOLD SEPARAT

Tee, Incl in 21

1шт.

23

86596853

QUICK MALE COUPLING,9/16"-18

ASSY, Incl 18 (Qty 1), 24

1шт.

24

NSS

NOT SOLD SEPARAT

Male Quick Coupler, Incl in 23

1шт.

25

43127

BOLT,Hex, M8 x 1.25 x 25mm, Cl 8.8

1шт.

26

515-22127

CLAMP,1/2", Insul, 5/16" Bolt

1шт.

27

515-2295

CLAMP,3/8", Insul, 5/16" Bolt

1шт.

28

87655042

SPECIAL WASHER,8.8mm ID x 17.5mm OD x 2.2mm Thk

1шт.

29

829-1408

NUT,Hex, M8 x 1.25, Cl 10.9

1шт.

30

87425225

ACCUMULATOR,0.16L

1шт.

31

47593980

CONSTRUCTION DIA

Dipper Oscillation, Incl 1 - 3, 6, 7, 9, 11 - 14, 16 - 30

1шт.

To See Full DIA KIT Composition Look for all the Figures Where the DIA KIT P/N Is Shown

1шт.

Выбрано товаров: 32