Запчасти Case 580SN WT (35.359.AB[11]) - BACKHOE CONTROL VALVE, 7-SPOOL, MOUNTING PARTS, EXTENDABLE DIPPER, W/ PILOT CONTROLS (35) - HYDRAULIC SYSTEMS

Схема запчастей Case 580SN WT - (35.359.AB[11]) - BACKHOE CONTROL VALVE, 7-SPOOL, MOUNTING PARTS, EXTENDABLE DIPPER, W/ PILOT CONTROLS (35) - HYDRAULIC SYSTEMS
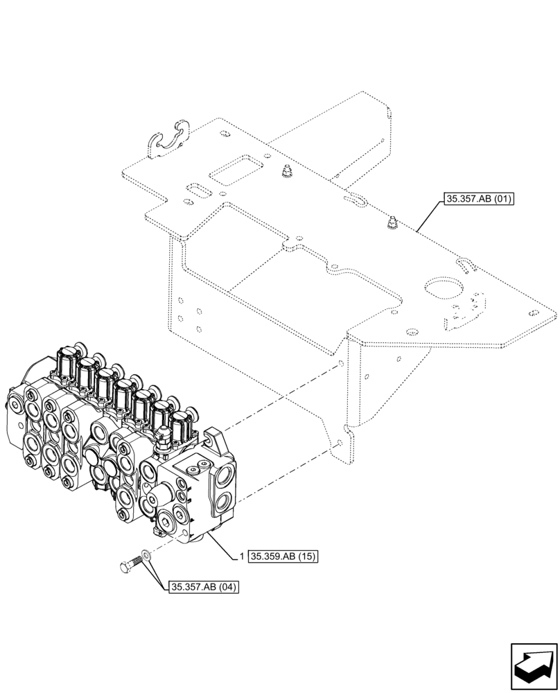
35.357.ab (01)
1
35.357.ab (04)
35.359.ab (15)
FIT
1:1
100%

Артикул

Название

Примечание

Количество

1

84551841

CONTROL VALVE

ASSY

1шт.

Backhoe Control Valve, 7-Spool, with Extendable Dipper and Pilot Controls

1шт.

1

84551841R

REMAN-HYD VALVE

Reman Assy

1шт.

1

84551841C

CORE-VALVE HYD

Core Return Number

1шт.

Выбрано товаров: 4