Запчасти Case 580SN WT (35.359.AE[10]) - VAR - 747864 - LOADER, AUXILIARY CONTROL VALVE, LINE (35) - HYDRAULIC SYSTEMS

Схема запчастей Case 580SN WT - (35.359.AE[10]) - VAR - 747864 - LOADER, AUXILIARY CONTROL VALVE, LINE (35) - HYDRAULIC SYSTEMS
35.359.ae (07)
3
4
7
5
11
8
12
8
1
9
6
10
2
35.359.ab (09)
35.359.ac (01)
35.359.ae (07)
35.359.ae (07)
FIT
1:1
100%

Артикул

Название

Примечание

Количество

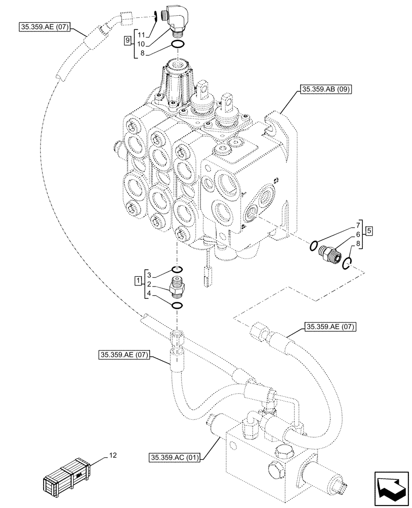
1

201-111

HYD CONNECTOR,9/16" - 18 Male ORFS x 9/16" - 18 Male ORB

ASSY, Incl 2 - 4

1шт.

2

NSS

NOT SOLD SEPARAT

Connector, Incl in 1

1шт.

3

237-6006

O-RING,0.078" Thk x 0.468" ID, -906, Cl 6, 90 Duro

1шт.

4

238-6011

O-RING,0.07" Thk x 0.301" ID, -11, Cl 6, 90 Duro

1шт.

5

9993143

HYD CONNECTOR,11/16" - 16 ORFS x 9/16" - 18 ORB

ASSY, Incl 6 - 8 (Qty 1)

1шт.

6

NSS

NOT SOLD SEPARAT

Connector, Incl in 5

1шт.

7

9993141

O-RING,0.07" Thk x 0.364" ID, -12, Cl 6, 90 Duro

1шт.

8

9617873

O-RING,0.078" Thk x 0.468" ID, -906, Cl 6, 90 Duro

2шт.

9

9840542

ELBOW,90 Degree, 9/16"-18 x 9/16"-18, Adj, ORFS

ASSY, Incl 8 (Qty 1), 10, 11

1шт.

10

NSS

NOT SOLD SEPARAT

90° Elbow, Incl in 9

1шт.

11

9825770

O-RING,0.07" Thk x 0.301" ID, -11, Cl 6, 90 Duro

1шт.

12

47661818

CONSTRUCTION DIA

3 Spool, Pilot Control, Standard Transmission, Incl 1, 2, 5 - 11

1шт.

To See Full DIA KIT Composition Look for all the Figures Where the DIA KIT P/N Is Shown

1шт.

12

47788201

CONSTRUCTION DIA

3 Spool, Mechanical Control, Powershift Transmission, Incl 1, 7 - 11

1шт.

To See Full DIA KIT Composition Look for all the Figures Where the DIA KIT P/N Is Shown

1шт.

Выбрано товаров: 15