Запчасти Case 580SN WT (35.359.AE[22]) - LOADER, CONTROL VALVE LINE, HAMMER (35) - HYDRAULIC SYSTEMS

Схема запчастей Case 580SN WT - (35.359.AE[22]) - LOADER, CONTROL VALVE LINE, HAMMER (35) - HYDRAULIC SYSTEMS
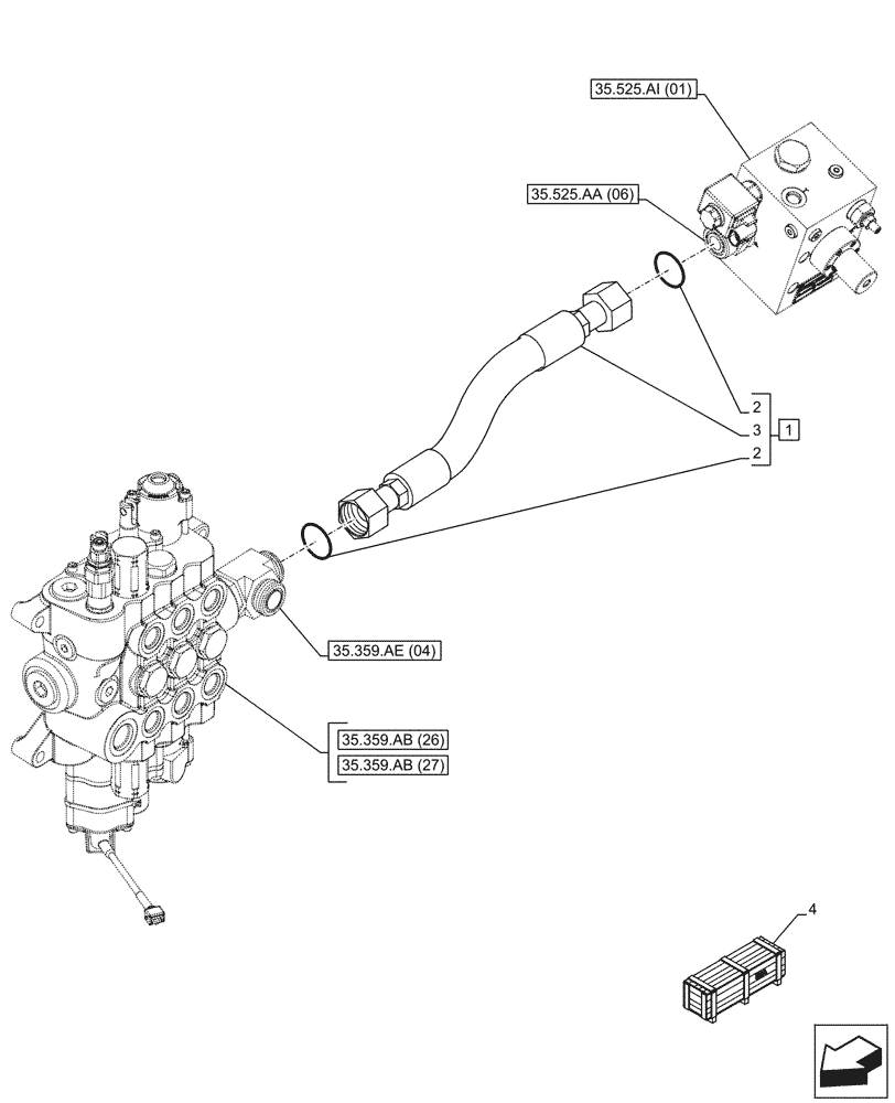
35.525.aa (06)
2
3
2
1
4
35.359.ab (26)
35.359.ae (04)
35.359.ab (27)
35.525.ai (01)
FIT
1:1
100%

Артикул

Название

Примечание

Количество

1

84283268

HOSE ASSY.,19mm ID x 440mm L, SAE 100R16 Type S

440mm, Loader Valve to Hammer Valve ASSY, Incl 2, 3

1шт.

2

9824050

O-RING,0.07" Thk x 0.926" ID, -21, Cl 6, 90 Duro

2шт.

3

NSS

NOT SOLD SEPARAT

Hose, Incl in 1

1шт.

4

84546980

CONSTRUCTION DIA

No Auxiliary to Combo Auxiliary, Mechanical Control, Standard Dipper, Incl 1 - 3

1шт.

Valid for 580N, 580SN, 580SN WT Models Only

1шт.

To See Full DIA KIT Composition Look for all the Figures Where the DIA KIT P/N Is Shown

1шт.

4

84546983

CONSTRUCTION DIA

No Auxiliary to Combo Auxiliary, Mechanical Control, Standard Dipper, Incl 1 - 3

1шт.

Valid for 590SN Model Only

1шт.

To See Full DIA KIT Composition Look for all the Figures Where the DIA KIT P/N Is Shown

1шт.

4

84546982

CONSTRUCTION DIA

No Auxiliary to Combo Auxiliary, Mechanical Control, Extendable Dipper, Incl 1 - 3

1шт.

Valid for 580N, 580SN, 580SN WT Models Only

1шт.

To See Full DIA KIT Composition Look for all the Figures Where the DIA KIT P/N Is Shown

1шт.

4

84546985

CONSTRUCTION DIA

No Auxiliary to Combo Auxiliary, Mechanical Control, Extendable Dipper, Incl 1 - 3

1шт.

Valid for 590SN Model Only

1шт.

To See Full DIA KIT Composition Look for all the Figures Where the DIA KIT P/N Is Shown

1шт.

4

84546986

CONSTRUCTION DIA

Uni-Dir, Mechanical Control, Standard Dipper, Incl 1 - 3

1шт.

Valid for 580N, 580SN, 580SN WT Models Only

1шт.

To See Full DIA KIT Composition Look for all the Figures Where the DIA KIT P/N Is Shown

1шт.

4

84546990

CONSTRUCTION DIA

Uni-Dir, Mechanical Control, Standard Dipper, Incl 1 - 3

1шт.

Valid for 590SN Model Only

1шт.

To See Full DIA KIT Composition Look for all the Figures Where the DIA KIT P/N Is Shown

1шт.

4

84546989

CONSTRUCTION DIA

Uni-Dir, Mechanical Control, Extendable Dipper, Incl 1 - 3

1шт.

Valid for 580N, 580SN, 580SN WT Models Only

1шт.

To See Full DIA KIT Composition Look for all the Figures Where the DIA KIT P/N Is Shown

1шт.

4

84546992

CONSTRUCTION DIA

Uni-Dir, Mechanical Control, Extendable Dipper, Incl 1 - 3

1шт.

Valid for 590SN Model Only

1шт.

To See Full DIA KIT Composition Look for all the Figures Where the DIA KIT P/N Is Shown

1шт.

4

47661824

CONSTRUCTION DIA

3 Spool, Mechanical Control, Powershift Transmission, Incl 1 - 3

1шт.

Valid for 580SN, 580SN WT, 590SN Models Only

1шт.

To See Full DIA KIT Composition Look for all the Figures Where the DIA KIT P/N Is Shown

1шт.

4

47661747

CONSTRUCTION DIA

3 Spool, Mechanical Control, Incl 1 - 3

1шт.

Valid for 580N Model Only

1шт.

To See Full DIA KIT Composition Look for all the Figures Where the DIA KIT P/N Is Shown

1шт.

Выбрано товаров: 33