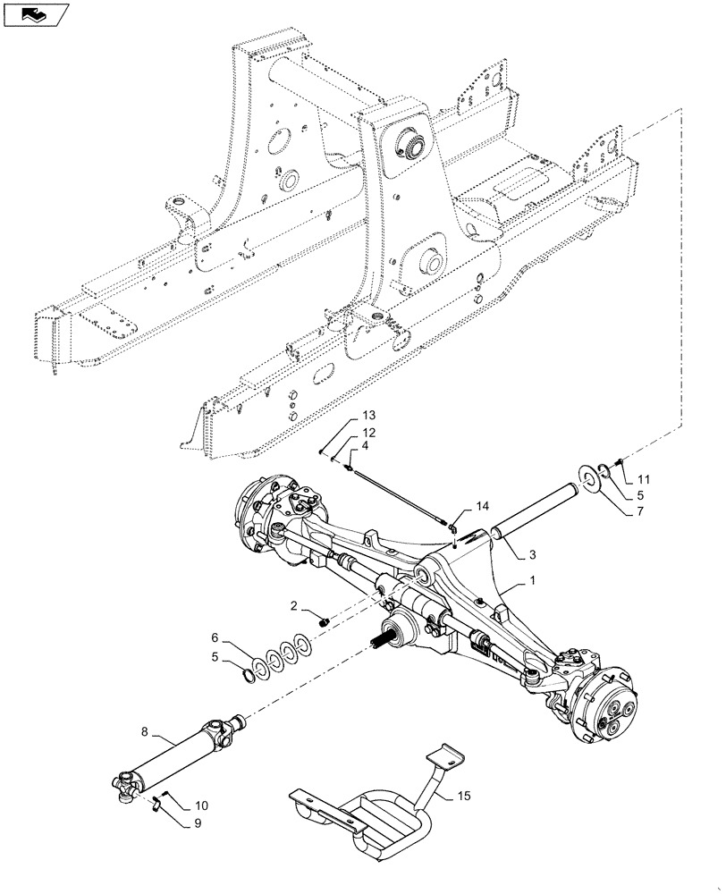
Запчасти Case 580SN WT (25.100.02[02]) - AXLE, FRONT DRIVE - MOUNTING (580SN WT) (25) - FRONT AXLE SYSTEM

Схема запчастей Case 580SN WT - (25.100.02[02]) - AXLE, FRONT DRIVE - MOUNTING (580SN WT) (25) - FRONT AXLE SYSTEM
9
5
1
7
13
12
14
6
11
15
home
4
10
2
5
3
8
FIT
1:1
100%

Артикул

Название

Примечание

Количество

1

84263654

4WD AXLE ASSY

580SN WT

1шт.

1

84263654R

REMAN-FRONT AXLE

Remanufactured; 580SN WT

1шт.

1

84263654C

4WD AXLE ASSY

Return Number

1шт.

2

9992342

HYD CONNECTOR,13/16" - 16 ORFS x 9/16" - 18 ORB

2шт.

3

87404197

PIVOT PIN,50mm OD x 426.5mm L

1шт.

4

87572760

HOSE ASSY.,6.4mm ID x 533mm L

1шт.

5

800-44050

SNAP RING,M50, Ext

2шт.

6

191796A1

WASHER,51.6mm ID x 92mm OD x 1.98mm Thk

4шт.

7

D123684

WASHER,52.3mm ID x 114mm OD x 4.78mm Thk

1шт.

8

87694656

DRIVE SHAFT

1шт.

9

D137626

CLAMP,30.175mm D Clamping Pipe

2шт.

10

9637611

SCREW,Hex Flng, 5/16" - 24 x 3/4"

4шт.

11

614-12025

BOLT,Hex, M12 x 1.75 x 25mm, Cl 8.8, Full Thd

1шт.

12

87655046

SPECIAL WASHER,10.65mm ID x 23mm OD x 2.2mm Thk

1шт.

13

F53473

LOCK NUT,1/8-27 NPSM

1шт.

14

218-5103

90 ELBOW,90 Degree Elbow, 7/16" - 20 Male JIC x 7/16" - 20 Male ORB

1шт.

15

84387063

GUARD

Driveshaft Guard

1шт.

.

614-12040

BOLT,Hex, M12 x 1.75 x 40mm, Cl 8.8, Full Thd

Driveshaft Guard Mounting (Not Shown)

3шт.

.

87655043

WASHER,M12, 13.65mm ID x 24.90mm OD x 3.20mm, HT Boron, ZNM

Driveshaft Guard Mounting (Not Shown)

3шт.

.

84264406

STEERING CYLINDER,Double Acting, 40mm Rod, 70mm Bore, 249mm Stroke

580SN WT

1шт.

.

47371337

BOLT,Hex, M18 x 1.5 x 60mm

Steering Cylinder Mounting (Not Shown)

4шт.

.

84349418

WASHER,19mm ID x 34mm OD x 3mm Thk

Steering Cylinder Mounting (Not Shown)

4шт.

Выбрано товаров: 22