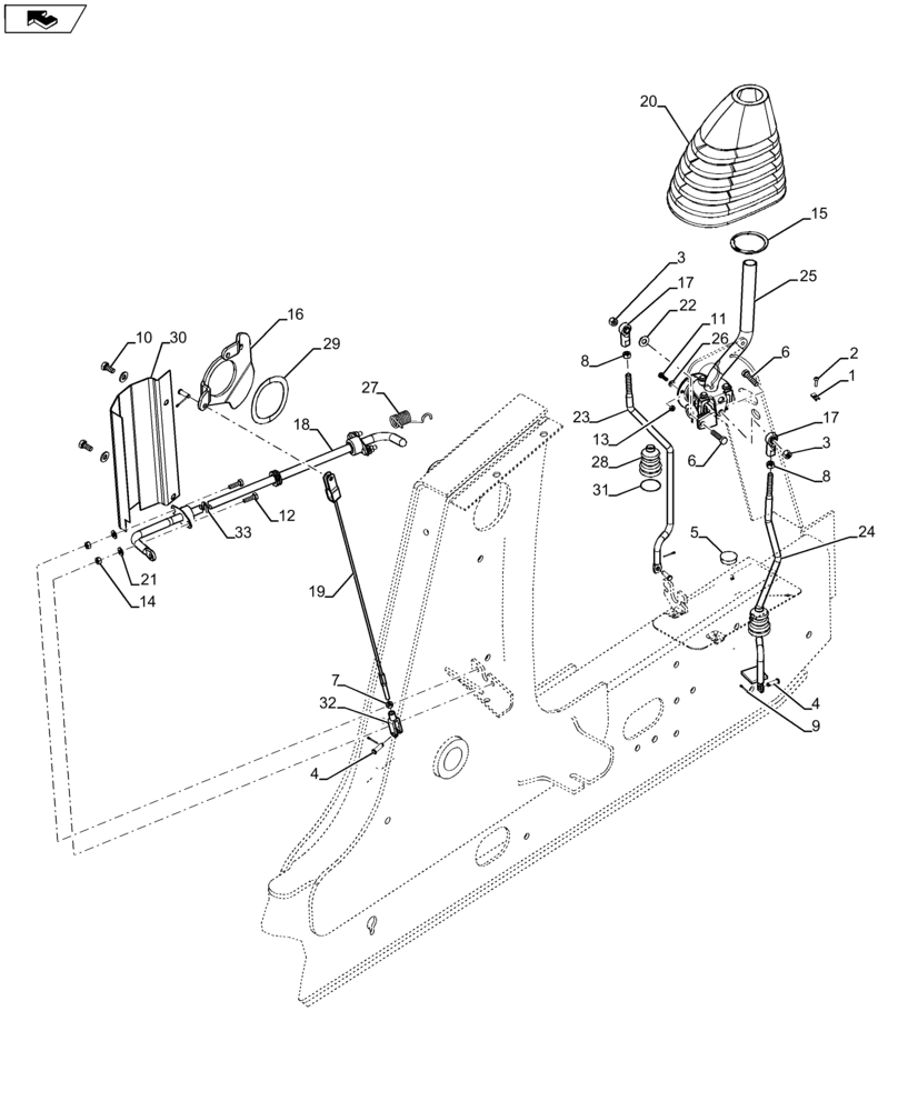
Запчасти Case 580SN WT (35.724.07[01]) - CONTROLS - LOADER LIFT AND BUCKET (35) - HYDRAULIC SYSTEMS

Схема запчастей Case 580SN WT - (35.724.07[01]) - CONTROLS - LOADER LIFT AND BUCKET (35) - HYDRAULIC SYSTEMS
home
14
30
32
27
33
16
24
6
21
29
31
3
17
11
22
25
10
18
15
7
2
23
6
17
8
28
4
4
8
9
5
13
20
26
3
12
19
1
FIT
1:1
100%

Артикул

Название

Примечание

Количество

1

131-121

SPRING NUT,Tinn, U, #10-24

1шт.

2

140-107

SCREW,Pan HD, #10 - 24 x 3/4"

1шт.

3

232-4246

NUT,3/8"-16, GC

2шт.

4

D149287

PIN,7.9mm OD x 26.72mm L

4шт.

5

353-422

PLUG,Dome, 1.250" hole, Nylon

1шт.

6

413-624

BOLT,Hex, 3/8" - 16 x 1-1/2", Gr 5

2шт.

7

425-115

NUT,5/16"-24, G5

1шт.

8

425-116

NUT,3/8" - 24, Gr 5

2шт.

9

432-612

COTTER PIN,3/32" x 3/4"

4шт.

10

614-10020

BOLT,Hex, M10 x 1.5 x 20mm, Cl 8.8, Full Thd

2шт.

11

614-6020

BOLT,Hex, M6 x 1 x 20mm, Cl 8.8, Full Thd

3шт.

12

43127

BOLT,Hex, M8 x 1.25 x 25mm, Cl 8.8

4шт.

13

829-1406

NUT,Hex, M6 x 1, Cl 10.9

3шт.

14

829-1408

NUT,Hex, M8 x 1.25, Cl 10.9

4шт.

15

84169264

SNAP RING

1шт.

16

84292801

CAM

1шт.

17

87382812

BALL JOINT HEAD,3/8" - 24

2шт.

18

87417601

ROD ASSY.

1шт.

19

87428645

CABLE,682mm L

1шт.

20

87632920

BOOT

1шт.

21

87655042

SPECIAL WASHER,8.8mm ID x 17.5mm OD x 2.2mm Thk

4шт.

22

87655046

SPECIAL WASHER,10.65mm ID x 23mm OD x 2.2mm Thk

3шт.

23

87664422

ROD

1шт.

24

87664425

ROD

1шт.

25

NS

NOT SERVICED

See Fig. 35.724.07(02)

1шт.

26

87713130

WASHER,6.85mm ID x 12.75mm OD x 1.8mm Thk

3шт.

27

124721A1

SPRING,Extension, 19mm ID x 61mm L

1шт.

28

132931A1

BOOT

2шт.

29

137283A1

WAVE WASHER,85.6mm ID x 109.22mm OD x 1.14mm Thk

1шт.

30

139865A1

SHIELD

1шт.

31

189109A1

SPRING,Compression, 42mm OD

2шт.

32

239406A1

CLEVIS,5/16-24"

1шт.

33

D143591

RING, SNAP,12.7mm ID, Ext

RING SNAP

2шт.

Выбрано товаров: 33