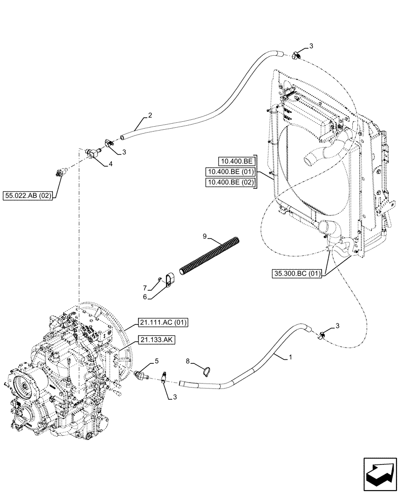
Запчасти Case 580SN WT (21.103.AN) - VAR - 423060, 423061 - TRANSMISSION, SEMI-POWERSHIFT, OIL COOLER LINE (21) - TRANSMISSION

Схема запчастей Case 580SN WT - (21.103.AN) - VAR - 423060, 423061 - TRANSMISSION, SEMI-POWERSHIFT, OIL COOLER LINE (21) - TRANSMISSION
21.111.ac (01)
3
1
6
2
4
9
7
5
3
8
3
3
10.400.be (01)
35.300.bc (01)
10.400.be (02)
10.400.be
21.133.ak
55.022.ab (02)
FIT
1:1
100%

Артикул

Название

Примечание

Количество

1

87422597

HOSE,15.88mm ID x 975mm L, SAE 100R6

Transmission Cooler Fill, L=975mm

1шт.

2

87422598

HOSE,15.88mm ID x 1225mm L, SAE 100R6

Transmission Cooler Return, L=1225mm

1шт.

3

328186A1

HOSE CLAMP,400mm L

4шт.

4

87721671

TEE,1/2"-14 x 7/8"-14 ORB x 5/8 Hose

1шт.

5

217-314

FITTING,45 Degree Elbow, 5/8" Hose Barb x 7/8" - 14 Male ORB

1шт.

6

D39696

CLAMP,25.40mm - 13.49mm Bolt, CTD

1шт.

7

829-1410

NUT,M10 x 1.5, Cl 10.9

1шт.

8

L11541

CABLE TIE,203.2mm L, Nylon

3шт.

9

D132982

PADDLE,26.87mm ID x 400mm L

Guard

1шт.

Выбрано товаров: 9