Запчасти Case 580SN WT (21.111.AC[03]) - VAR - 423060, 423061 - TRANSMISSION, SEMI-POWERSHIFT, OIL, DIPSTICK (21) - TRANSMISSION

Схема запчастей Case 580SN WT - (21.111.AC[03]) - VAR - 423060, 423061 - TRANSMISSION, SEMI-POWERSHIFT, OIL, DIPSTICK (21) - TRANSMISSION
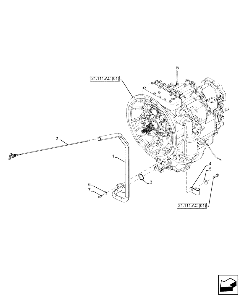
21.111.ac (01)
5
4
7
1
3
2
6
21.111.ac (01)
FIT
1:1
100%

Артикул

Название

Примечание

Количество

1

84329368

TUBE

Semi-Powershift Transmission, Dipstick

1шт.

2

87601345

DIPSTICK,824mm L

Transmission, L=824mm

1шт.

3

272218

O-RING,0.103" Thk x 1.424" ID, -127, Cl 5, 75 Duro

1шт.

4

D35908

CLAMP,1" Clamping pipe

Oil Dipstick

1шт.

5

87687101

WASHER,10.65mm ID x 31mm OD x 3.3mm Thk

1шт.

6

87655042

SPECIAL WASHER,8.8mm ID x 17.5mm OD x 2.2mm Thk

2шт.

7

43127

BOLT,Hex, M8 x 1.25 x 25mm, Cl 8.8

2шт.

Выбрано товаров: 7