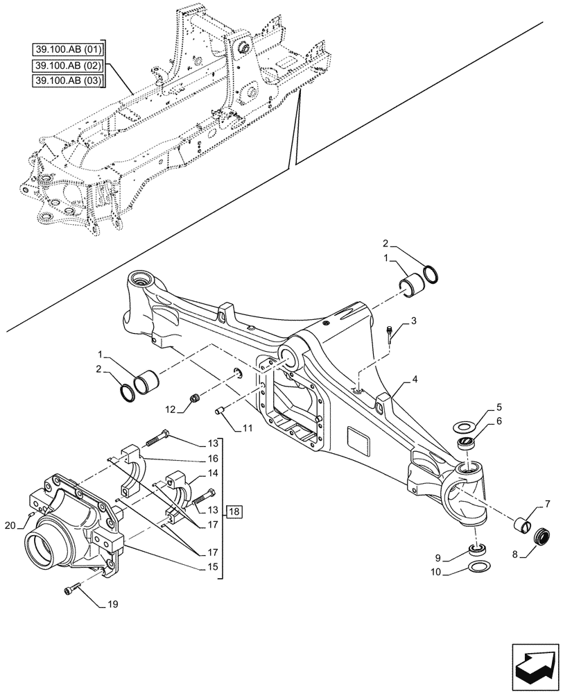
Запчасти Case 580SN WT (25.100.AD) - FRONT AXLE, HOUSING, 4WD (25) - FRONT AXLE SYSTEM

Схема запчастей Case 580SN WT - (25.100.AD) - FRONT AXLE, HOUSING, 4WD (25) - FRONT AXLE SYSTEM
39.100.ab (02)
17
18
2
5
9
20
14
1
16
17
7
10
19
6
8
15
3
4
2
11
12
13
1
13
39.100.ab (03)
39.100.ab (01)
FIT
1:1
100%

Артикул

Название

Примечание

Количество

1

87748946

BUSHING,50.21mm ID x 60.03mm OD x 54mm L

2шт.

2

D123655

SEAL,50mm ID x 60.15mm OD x 4.06mm Thk

Pin Rod End

2шт.

3

84258517

BREATHER,M10 x 1

M10 x 1

1шт.

4

84310708

AXLE

Housing

1шт.

5

84241623

SPRING,Belleville, 36.13mm ID x 70.85mm OD x 2.26mm Thk

Belleville 36.13 x 70.85 x 2.26mm

2шт.

6

84241615

GROOVED BUSHING,35mm ID x 52mm OD x 20mm L

35mm ID x 52mm OD x 20mm L

2шт.

7

84266996

BUSHING,35.13mm ID x 39.11mm OD x 35mm L

2шт.

8

84266933

SEAL,35mm ID x 52mm OD x 18.5mm Thk

Oil

2шт.

9

87523063

SPHERICAL BEARING,28mm ID x 52mm OD x 16mm W

2шт.

10

84241624

SPRING,Belleville, 47.63mm ID x 69.85mm OD x 0.97mm Thk

Belleville 47.63 x 69.85 x 0.97

2шт.

11

4985062

DOWEL,15mm OD x 25mm L

2шт.

12

14326211

PLUG,M22 x 1.50, R50, ZND

Pipe Magnetic

2шт.

13

84273748

BOLT,Hex, Lock, M12 x 1.75 x 70mm, Cl. 10.9

M12 x 1.75 x 70

4шт.

14

NSS

NOT SOLD SEPARAT

Bearing Cap Right,Incl in 18

1шт.

15

NSS

NOT SOLD SEPARAT

Cover Differential, Incl in 18

1шт.

16

NSS

NOT SOLD SEPARAT

Bearing Cap Left,Incl in 18

1шт.

17

4966244

PIN,5mm OD x 15mm L

4шт.

18

84299349

DIFFERENTIAL ASSY

ASSY, Incl 13 - 17

1шт.

19

87015736

BOLT,M12 x 1.75 x 37.68mm, Cl 10.9

12шт.

20

10839710

DOWEL,M10 x 15.00mm

1шт.

Выбрано товаров: 20