Запчасти Case 580SN WT (39.100.AB[03]) - CHASSIS (39) - FRAMES AND BALLASTING

Схема запчастей Case 580SN WT - (39.100.AB[03]) - CHASSIS (39) - FRAMES AND BALLASTING
39.100.ab (01)
20
19
5
9
20
9
3
14
12
9
9
16
6
8
4
7
18
4
18
9
20
21
20
19
13
1
6
10
6
3
15
6
11
2
9
17
FIT
1:1
100%

Артикул

Название

Примечание

Количество

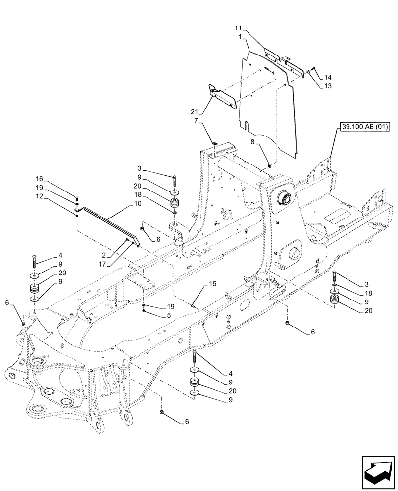
1

47710021

CURTAIN

Hanging Barrier

1шт.

2

614-8020

BOLT,Hex, M8 x 1.25 x 20mm

1шт.

3

827-16085

BOLT,Hex, M16 x 2 x 85mm, Cl 10.9

2шт.

4

827-16100

BOLT,Hex, M16 x 2 x 100mm, Cl 10.9

2шт.

5

829-1410

NUT,M10 x 1.5, Cl 10.9

1шт.

6

829-1416

NUT,M16, Cl 10

4шт.

7

833-40310

NUT,M10, U

4шт.

8

833-40408

NUT,M8, U

4шт.

9

47384148

WASHER,17mm ID x 70mm OD x 4.50mm, HTS ZNM

6шт.

10

47616639

BRACKET

C Channel

1шт.

11

47722701

BRACKET

Barrier Curtain Front

1шт.

12

84342280

SPACER,10.5mm ID x 15.5mm OD x 3mm Thk

1шт.

13

87013865

WASHER,9mm ID x 28mm OD x 1.6mm Thk

4шт.

14

87026277

BOLT,Hex, M8 x 30mm, Cl 10.9, Full Thd

4шт.

15

87417383

THREADED INSERT,M8 x 1.25

1шт.

16

614-10025

BOLT,Hex, M10 x 1.5 x 25mm, Cl 8.8

1шт.

17

87655042

SPECIAL WASHER,8.8mm ID x 17.5mm OD x 2.2mm Thk

1шт.

18

87655044

SPECIAL WASHER,17.75mm ID x 31.50mm OD x 4.20mm, HTS Boron, ZNM

2шт.

19

87655046

SPECIAL WASHER,10.65mm ID x 23mm OD x 2.2mm Thk

2шт.

20

411892A1

RUBBER MOUNTING

4шт.

21

47722703

BRACKET

Barrier Curtain Rear

1шт.

Выбрано товаров: 21