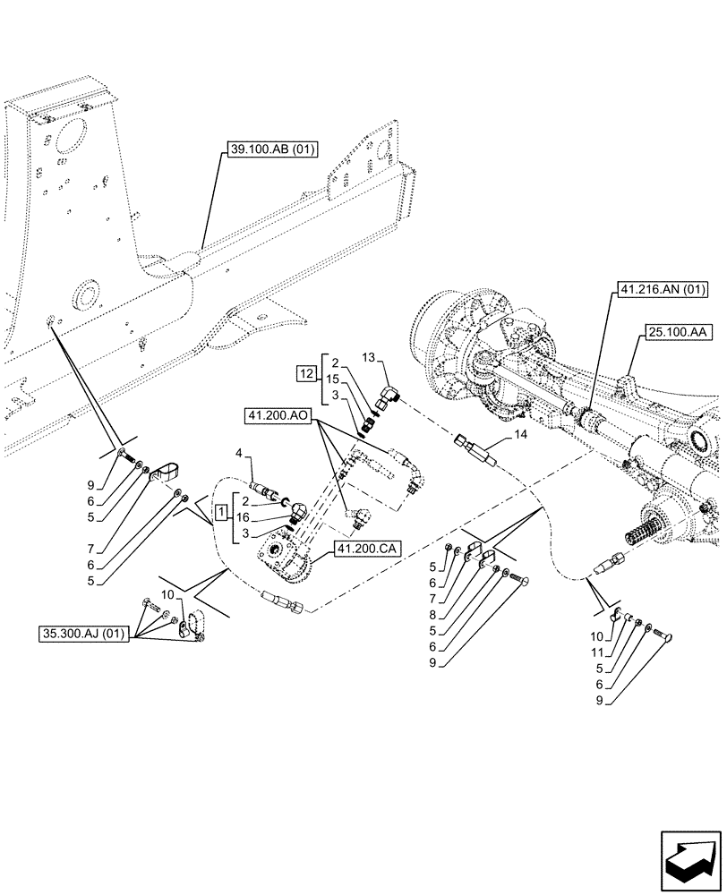
Запчасти Case 580SN WT (41.216.AV) - HYDRAULIC STEERING, CYLINDER, LINES (41) - STEERING

Схема запчастей Case 580SN WT - (41.216.AV) - HYDRAULIC STEERING, CYLINDER, LINES (41) - STEERING
39.100.ab (01)
5
16
3
6
7
6
4
9
7
1
3
5
2
10
9
11
5
6
10
5
2
13
12
15
8
14
6
6
9
5
35.300.aj (01)
41.200.ao
41.216.an (01)
41.200.ca
25.100.aa
FIT
1:1
100%

Артикул

Название

Примечание

Количество

1

9992307

90 ELBOW,90 Degree, 13/16"-16 x 3/4"-16 Adj, ORFS

ASSY, Incl 2, 3, 16

1шт.

2

128825

O-RING,0.087" Thk x 0.644" ID, -908, Cl 6, 90 Duro

Incl in 12

1шт.

3

9992298

O-RING,0.07" Thk x 0.489" ID, -14, Cl 6, 90 Duro

Incl in 12

1шт.

4

84554256

HYDRAULIC HOSE,10mm ID x 1405mm L

LH Steering Cylinder, L=1405

1шт.

5

829-1410

NUT,M10 x 1.5, Cl 10.9

5шт.

6

87655046

SPECIAL WASHER,10.65mm ID x 23mm OD x 2.2mm Thk

5шт.

7

L302731

CLAMP,19mm D Clamping Pipes

2шт.

8

D39696

CLAMP,25.40mm - 13.49mm Bolt, CTD

1шт.

9

711-10050

CARRIAGE BOLT,Sq Nk, M10 x 1.5 x 50mm, Cl 8.8

3шт.

10

515-23159

CLAMP,5/8", Insul, 3/8" Bolt

2шт.

11

120303A1

SPACER,11mm ID x 15.82mm OD x 15mm Thk

1шт.

12

9992305

HYD CONNECTOR,13/16" - 16 ORFS x 3/4" - 16 ORB

ASSY, Incl 2, 3, 15

1шт.

13

84989383

90 ELBOW,90 Degree, 13/16"-16 ORFS x 13/16"-16 Fem Sw

1шт.

14

84386030

HYD TUBE

RH Steering Cylinder, L=1535

1шт.

15

NSS

NOT SOLD SEPARAT

Connector, Incl in 12

1шт.

16

NSS

NOT SOLD SEPARAT

Elbow, Incl in 1

1шт.

Выбрано товаров: 16