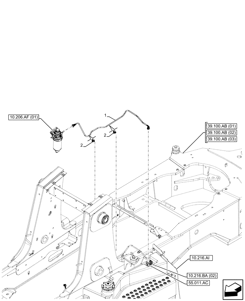
Запчасти Case 580SN WT (10.216.BA[01]) - FUEL TANK, LINES (10) - ENGINE

Схема запчастей Case 580SN WT - (10.216.BA[01]) - FUEL TANK, LINES (10) - ENGINE
10.206.af (01)
2
1
2
39.100.ab (03)
39.100.ab (01)
39.100.ab (02)
55.011.ac
10.216.ai
10.216.ba (02)
FIT
1:1
100%

Артикул

Название

Примечание

Количество

1

84394621

LINE

Fuel Tank to Fuel Filter Inlet

1шт.

2

84298475

HOSE CLAMP

2шт.

Выбрано товаров: 2