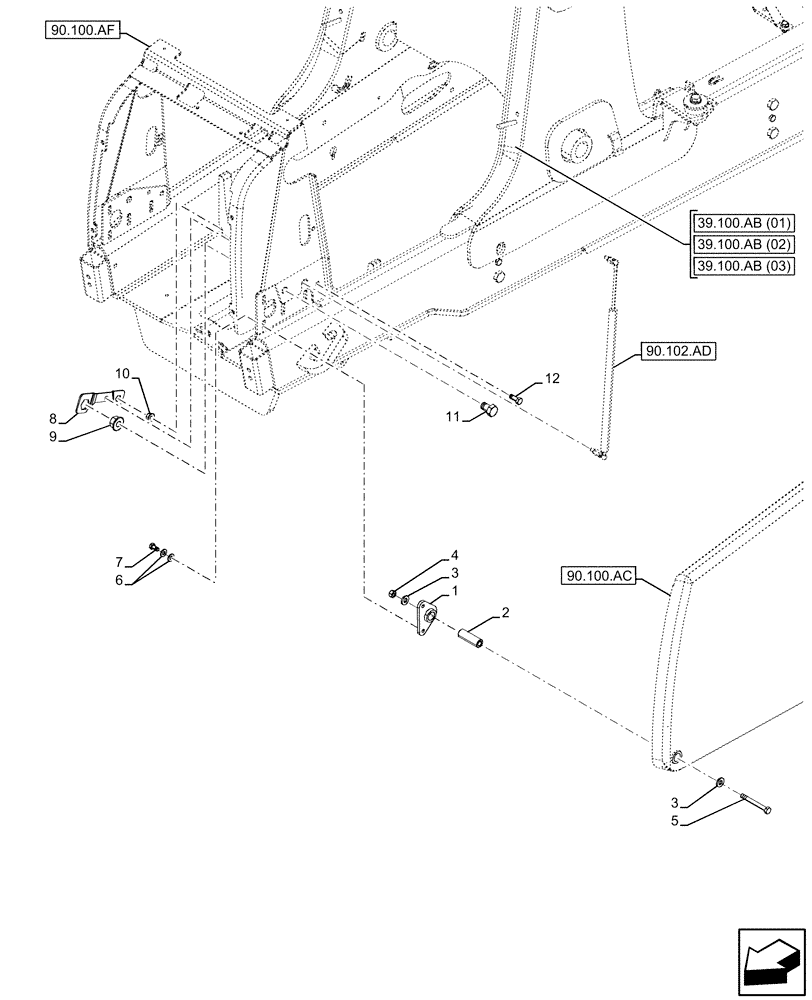
Запчасти Case 580SN WT (90.100.AE[02]) - ENGINE HOOD, PIVOT (90) - PLATFORM, CAB, BODYWORK AND DECALS

Схема запчастей Case 580SN WT - (90.100.AE[02]) - ENGINE HOOD, PIVOT (90) - PLATFORM, CAB, BODYWORK AND DECALS
90.100.af
5
8
1
7
11
3
10
9
6
2
4
3
12
39.100.ab (03)
39.100.ab (02)
39.100.ab (01)
90.100.ac
90.102.ad
FIT
1:1
100%

Артикул

Название

Примечание

Количество

1

87606502

PIVOT

Hood

1шт.

2

87412060

TUBE,13.5 mm ID x 25.36 mm OD x 76 mm L

1шт.

3

896-15012

WASHER,13.5mm ID x 28mm OD x 4mm Thk

2шт.

4

829-1412

NUT,M12, Cl 10.9

1шт.

5

814-12100

BOLT,Hex, M12 x 1.75 x 100mm, Cl 8.8

1шт.

6

87655046

SPECIAL WASHER,10.65mm ID x 23mm OD x 2.2mm Thk

4шт.

7

614-10020

BOLT,Hex, M10 x 1.5 x 20mm, Cl 8.8, Full Thd

2шт.

8

87725886

RETAINER

LH

1шт.

9

829-2420

FLANGE NUT,M20 x 2.5, Flg, Cl 10

1шт.

10

829-2412

FLANGE NUT,M12 x 1.75, Flg, Cl 10

1шт.

11

614-20030

BOLT,Hex, M20 x 2.5 x 30mm, Cl 8.8, Full Thd

1шт.

12

614-12030

BOLT,Hex, M12 x 1.75 x 30mm, Cl 8.8, Full Thd

1шт.

Выбрано товаров: 12