Запчасти Case 580SN WT (90.108.AA[02]) - VAR - 423058, 423059 - DECAL, RELAY, FUSE BOX (90) - PLATFORM, CAB, BODYWORK AND DECALS

Схема запчастей Case 580SN WT - (90.108.AA[02]) - VAR - 423058, 423059 - DECAL, RELAY, FUSE BOX (90) - PLATFORM, CAB, BODYWORK AND DECALS
55.100.do (04)
1
3
2
55.510.ag (01)
55.100.do (03)
55.100.do (05)
FIT
1:1
100%

Артикул

Название

Примечание

Количество

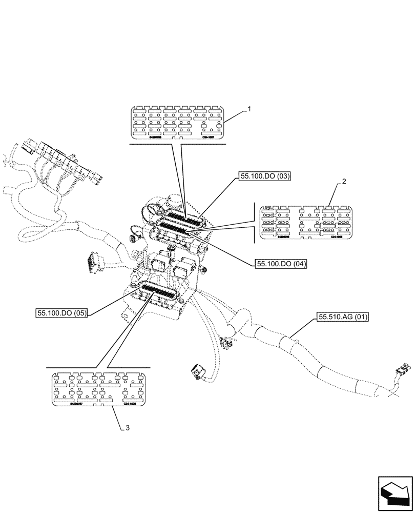
1

84290788

DECAL

Fuses

1шт.

2

84290786

DECAL

Fuses, Relays and Diodes with Mech Cluster

1шт.

3

84290787

DECAL

Relays

1шт.

Выбрано товаров: 3