Запчасти Case 580SN WT (90.108.AA[03]) - VAR - 423060, 423061, 423062 - DECAL, RELAY, FUSE BOX (90) - PLATFORM, CAB, BODYWORK AND DECALS

Схема запчастей Case 580SN WT - (90.108.AA[03]) - VAR - 423060, 423061, 423062 - DECAL, RELAY, FUSE BOX (90) - PLATFORM, CAB, BODYWORK AND DECALS
55.510.ag (02)
1
3
2
55.100.do (11)
55.100.do (12)
55.100.do (06)
55.510.ag (03)
55.100.do (07)
55.100.do (10)
55.100.do (08)
FIT
1:1
100%

Артикул

Название

Примечание

Количество

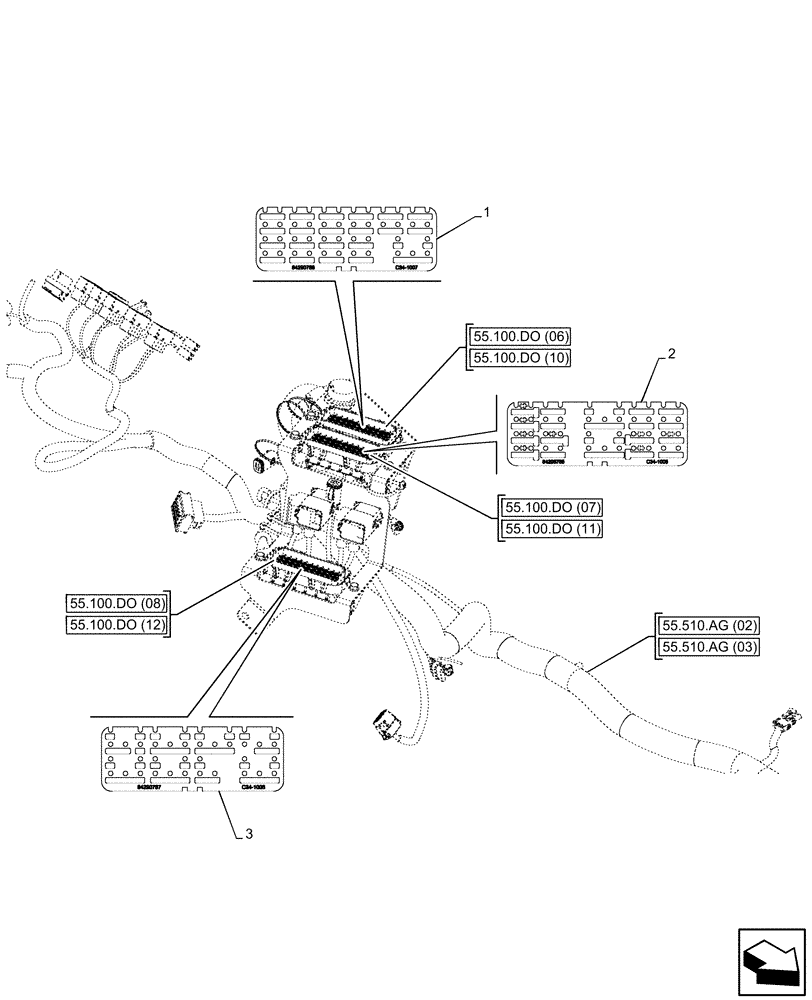
1

84290788

DECAL

Fuses

1шт.

2

84290785

DECAL

Fuses, Relays and Diodes

1шт.

3

84290787

DECAL

Relays

1шт.

Выбрано товаров: 3