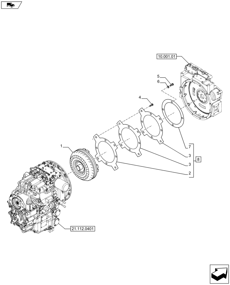
Запчасти Case 580SN WT (21.700.0101[01A]) - VAR - 423059 - TORQUE CONVERTER - CLUTCH, TRANSMISSION, STANDARD - D7283 (21) - TRANSMISSION

Схема запчастей Case 580SN WT - (21.700.0101[01A]) - VAR - 423059 - TORQUE CONVERTER - CLUTCH, TRANSMISSION, STANDARD - D7283 (21) - TRANSMISSION
5
8
1
home
3
6
4
2
21.112.0401
3
7
10.001.01
FIT
1:1
100%

Артикул

Название

Примечание

Количество

1

87702192

TORQUE CONVERTER

1шт.

1

87702192R

REMAN-TORQUE CONVERT

1шт.

1

87702192C

CORE-TORQUE CONVERTR

Return Number

1шт.

2

NSS

NOT SOLD SEPARAT

Plate

1шт.

3

NSS

NOT SOLD SEPARAT

Plate

2шт.

4

14420231

HEX SOC SCREW,M10 x 1.5 x 30mm, Cl 10.9, Full Thd

4шт.

5

614-10020

BOLT,Hex, M10 x 1.5 x 20mm, Cl 8.8, Full Thd

4шт.

6

87655046

SPECIAL WASHER,10.65mm ID x 23mm OD x 2.2mm Thk

4шт.

7

NSS

NOT SOLD SEPARAT

Backing Plate

1шт.

8

47442982

KIT

Assy, Incl 1, 3, 7

1шт.

Выбрано товаров: 10