Запчасти Case 580SN WT (25.100.0201) - AXLE, FRONT DRIVE - MOUNTING - 4WD (25) - FRONT AXLE SYSTEM

Схема запчастей Case 580SN WT - (25.100.0201) - AXLE, FRONT DRIVE - MOUNTING - 4WD (25) - FRONT AXLE SYSTEM
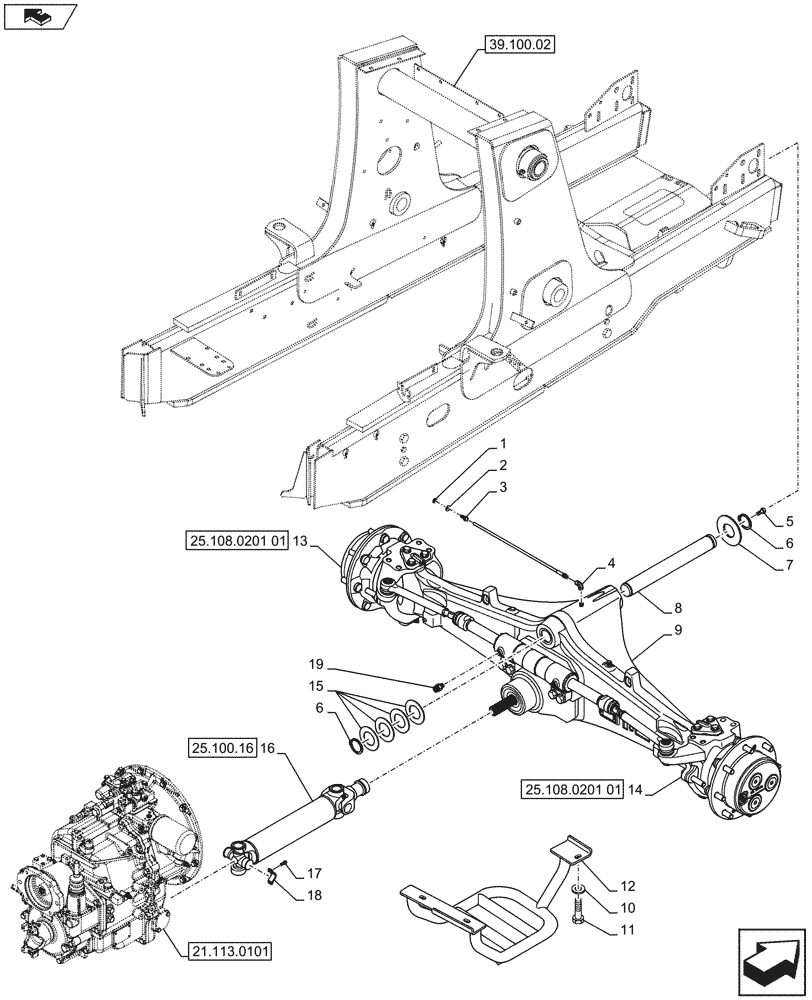
39.100.02
2
9
7
10
4
6
17
3
16
6
8
5
19
home
13
1
15
14
11
18
12
25.100.16
25.108.0201 01
25.108.0201 01
21.113.0101
FIT
1:1
100%

Артикул

Название

Примечание

Количество

1

F53473

LOCK NUT,1/8-27 NPSM

1шт.

2

87655046

SPECIAL WASHER,10.65mm ID x 23mm OD x 2.2mm Thk

1шт.

3

87572760

HOSE ASSY.,6.4mm ID x 533mm L

1шт.

4

218-5103

90 ELBOW,90 Degree Elbow, 7/16" - 20 Male JIC x 7/16" - 20 Male ORB

1шт.

5

614-12025

BOLT,Hex, M12 x 1.75 x 25mm, Cl 8.8, Full Thd

1шт.

6

800-44050

SNAP RING,M50, Ext

2шт.

7

D123684

WASHER,52.3mm ID x 114mm OD x 4.78mm Thk

1шт.

8

87404197

PIVOT PIN,50mm OD x 426.5mm L

1шт.

9

84263654

4WD AXLE ASSY

Assy, Incl 13, 14

1шт.

9

84263654R

REMAN-FRONT AXLE

Reman For New PN 84263654

1шт.

9

84263654C

4WD AXLE ASSY

Return Number

1шт.

10

87655043

WASHER,M12, 13.65mm ID x 24.90mm OD x 3.20mm, HT Boron, ZNM

3шт.

11

614-12040

BOLT,Hex, M12 x 1.75 x 40mm, Cl 8.8, Full Thd

3шт.

12

84387063

GUARD

1шт.

13

84263614

STEERING KNUCKLE,RH

RH; Assy

1шт.

14

84263613

STEERING KNUCKLE,LH

LH; Assy

1шт.

15

191796A1

WASHER,51.6mm ID x 92mm OD x 1.98mm Thk

4шт.

16

87694656

DRIVE SHAFT

Assy

1шт.

17

9637611

SCREW,Hex Flng, 5/16" - 24 x 3/4"

4шт.

18

D137626

CLAMP,30.175mm D Clamping Pipe

2шт.

19

9992342

HYD CONNECTOR,13/16" - 16 ORFS x 9/16" - 18 ORB

2шт.

Выбрано товаров: 21