Запчасти Case 580SN WT (39.100.0101) - FRAME (39) - FRAMES AND BALLASTING

Схема запчастей Case 580SN WT - (39.100.0101) - FRAME (39) - FRAMES AND BALLASTING
14
39.129.0101
13
11
8
2
22
10
21
5
18
15
4
13
12
24
4
9
8
10
6
17
8
3
home
1
19
16
7
22
39.100.0201
20
9
FIT
1:1
100%

Артикул

Название

Примечание

Количество

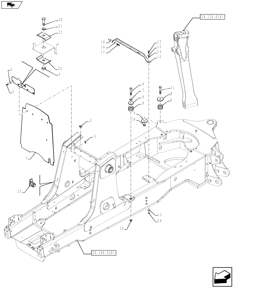
1

84392293

CURTAIN,661mm W x 794mm L

Rubber

1шт.

2

87026277

BOLT,Hex, M8 x 30mm, Cl 10.9, Full Thd

4шт.

3

87013865

WASHER,9mm ID x 28mm OD x 1.6mm Thk

4шт.

4

833-40408

NUT,M8, U

4шт.

5

833-40310

NUT,M10, U

5шт.

6

827-16085

BOLT,Hex, M16 x 2 x 85mm, Cl 10.9

2шт.

7

87655044

SPECIAL WASHER,17.75mm ID x 31.50mm OD x 4.20mm, HTS Boron, ZNM

2шт.

8

47384148

WASHER,17mm ID x 70mm OD x 4.50mm, HTS ZNM

6шт.

9

411892A1

RUBBER MOUNTING

4шт.

10

829-1416

NUT,M16, Cl 10

4шт.

11

827-16100

BOLT,Hex, M16 x 2 x 100mm, Cl 10.9

2шт.

12

614-10025

BOLT,Hex, M10 x 1.5 x 25mm, Cl 8.8

1шт.

13

87655046

SPECIAL WASHER,10.65mm ID x 23mm OD x 2.2mm Thk

2шт.

14

84342280

SPACER,10.5mm ID x 15.5mm OD x 3mm Thk

1шт.

15

84254110

BRACKET, SUPPORTING

1шт.

16

829-1410

NUT,M10 x 1.5, Cl 10.9

1шт.

17

614-8020

BOLT,Hex, M8 x 1.25 x 20mm

1шт.

18

87655042

SPECIAL WASHER,8.8mm ID x 17.5mm OD x 2.2mm Thk

1шт.

19

87417383

THREADED INSERT,M8 x 1.25

1шт.

20

814-8030

BOLT,Hex, M8 x 1.25 x 30mm, Cl 8.8, Full Thd

1шт.

21

895-15008

WASHER,9mm ID x 20mm OD x 1.6mm Thk

1шт.

22

84541425

CLAMP

2шт.

23

84529642

BRACKET

Barrier Curtain, Years: -01-JUN-14

1шт.

23

47634775

BRACKET

Barrier Curtain, Start Year: 01-JUN-14

1шт.

24

84189106

PLUG

2шт.

Выбрано товаров: 25