Запчасти Case 580SN WT (90.124.01[02]) - VAR - 747896 - SEAT - MOUNTING (AIR SUSPENSION) (90) - PLATFORM, CAB, BODYWORK AND DECALS

Схема запчастей Case 580SN WT - (90.124.01[02]) - VAR - 747896 - SEAT - MOUNTING (AIR SUSPENSION) (90) - PLATFORM, CAB, BODYWORK AND DECALS
4
19
14
18
25
14
2
13
6
22
20
16
3
home
10
11
24
27
9
23
12
6
21
28
1
5
26
home
19
17
14
7
8
13
24
15
24
FIT
1:1
100%

Артикул

Название

Примечание

Количество

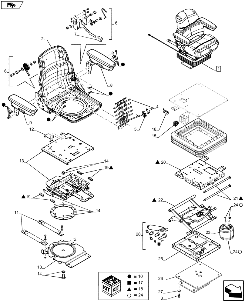
1

84276107

SEAT

Assy, Incl 2 - 34

1шт.

2

87308118

SEAT

1шт.

3

604-12030

BOLT,Hex, M12 x 30mm, Cl 8.8

4шт.

4

87308130

SEAT BACK ADJUST DEV

1шт.

5

87037462

SEAT BACK ADJUST DEV

1шт.

6

86994165

SEAT ACCESSORY

1шт.

7

87339800

KNOB

1шт.

8

87308153

ARMREST

1шт.

9

87308152

ARMREST

1шт.

10

87308154

SEAT ACCESSORY

2шт.

11

87475826

SERVICE KIT

1шт.

12

84174986

BRACKET

1шт.

13

87308131

SEAT ACCESSORY

1шт.

14

87308132

BEARING ASSY

1шт.

15

87475861

ROCKER SWITCH

1шт.

16

84276125

SWITCH

1шт.

17

84468480

KIT

1шт.

18

84276127

SERVICE KIT

1шт.

19

300680A1

KIT

1шт.

20

87475830

SERVICE KIT

1шт.

21

143786A1

SHAFT,308.9mm L

2шт.

22

87475831

SERVICE KIT

1шт.

23

9845760

SPRING

1шт.

24

333279A2

KIT

1шт.

25

86556264

HOUSING

1шт.

26

87475833

SERVICE KIT

1шт.

27

87655043

WASHER,M12, 13.65mm ID x 24.90mm OD x 3.20mm, HT Boron, ZNM

4шт.

28

87475837

SERVICE KIT

Not Shown

1шт.

SEAT KIT, SHOCK ABSORBER SERVICE KIT

1шт.

29

87475827

SERVICE KIT

Not Shown

1шт.

SEAT KIT, COMPRESSOR, IND. BOXED SERVICE

1шт.

30

87475834

SERVICE KIT

Not Shown

1шт.

SEAT KIT, AIRLINE AND FITTING KIT, IND.

1шт.

31

84468479

KIT

Not Shown

1шт.

BOOT, SUSPENSION KIT

1шт.

32

87475841

BEARING SET

Not Shown

1шт.

KIT, SEAT, BEARING AND ROLLER SERVICE

1шт.

33

87475838

SERVICE KIT

Not Shown

1шт.

SEAT KIT, BUMPER SERVICE KIT

1шт.

34

84276128

SERVICE KIT

Not Shown

1шт.

SEAT KIT, WIRE HARNESS, IND. BOXED SERVICE

1шт.

Выбрано товаров: 41