Запчасти Case 580SN WT (90.150.0101) - VAR - 423000 - CANOPY (90) - PLATFORM, CAB, BODYWORK AND DECALS

Схема запчастей Case 580SN WT - (90.150.0101) - VAR - 423000 - CANOPY (90) - PLATFORM, CAB, BODYWORK AND DECALS
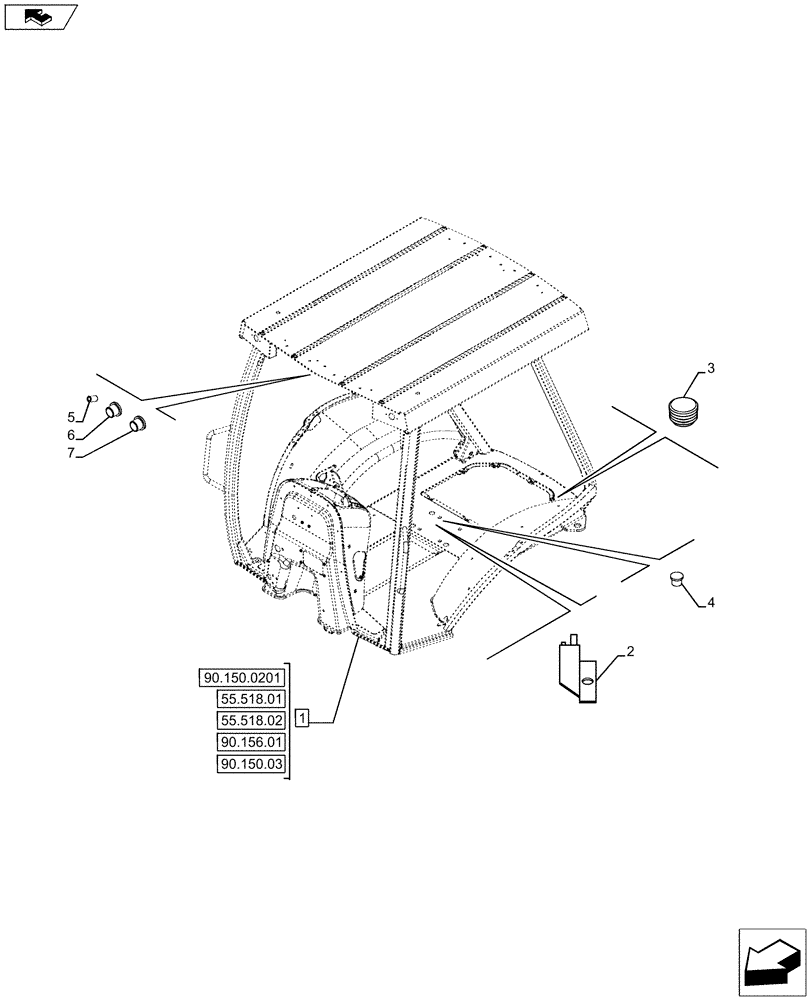
5
home
3
1
55.518.01
6
4
90.156.01
90.150.0201
7
90.150.03
55.518.02
2
FIT
1:1
100%

Артикул

Название

Примечание

Количество

1

84469527

CANOPY

, Serial Range: -C9045

1шт.

1

47482955

CAB

, Start Serial: D9045

1шт.

2

186351A1

GUARD

1шт.

3

382298A1

PLUG

2шт.

4

353-413

PLUG,Dome, 1.187" hole, Nylon

2шт.

5

411549A1

PLUG

1шт.

6

353-421

PLUG,Dome, .187" hole, Nylon

2шт.

7

353-410

PLUG,Dome, .875" hole, Nylon

1шт.

Выбрано товаров: 8