Запчасти Case 590SN (21.700.040) - VAR - 423060, 423061 - TRANSMISSION, SEMI-POWERSHIFT, TORQUE CONVERTER (21) - TRANSMISSION

Схема запчастей Case 590SN - (21.700.040) - VAR - 423060, 423061 - TRANSMISSION, SEMI-POWERSHIFT, TORQUE CONVERTER (21) - TRANSMISSION
21.111.050
2
4
1
6
3
5
21.111.010
10.001.010
FIT
1:1
100%

Артикул

Название

Примечание

Количество

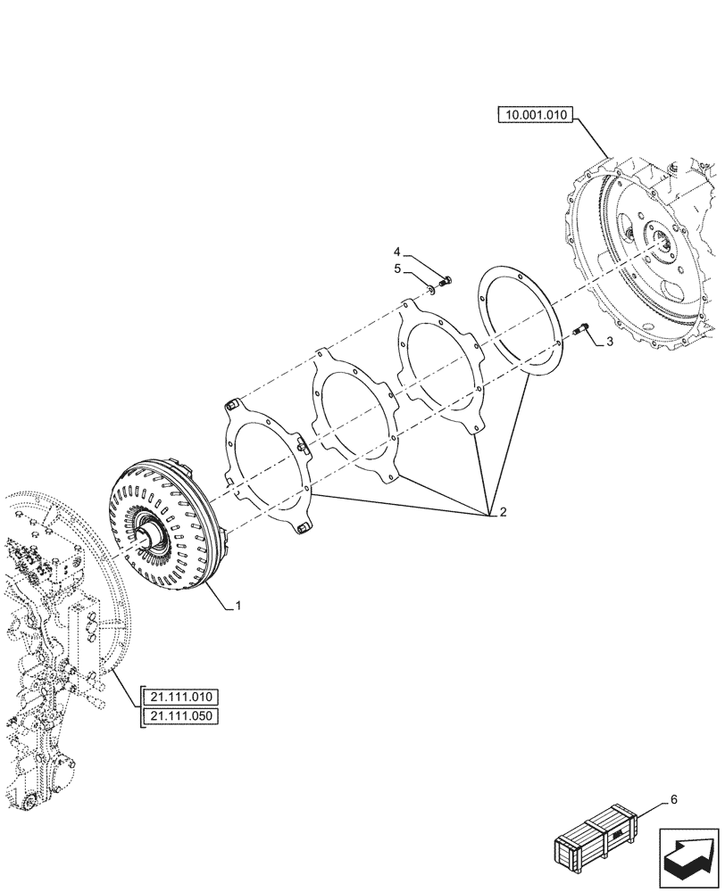
1

87702193

CONVERTER

Torque

1шт.

2

47442982

KIT

Flex Plate

1шт.

3

14420231

HEX SOC SCREW,M10 x 1.5 x 30mm, Cl 10.9, Full Thd

4шт.

4

614-10020

BOLT,Hex, M10 x 1.5 x 20mm, Cl 8.8, Full Thd

4шт.

5

87655046

SPECIAL WASHER,10.65mm ID x 23mm OD x 2.2mm Thk

4шт.

6

47411176

CONSTRUCTION DIA

Torque Converter, Incl 1

1шт.

To See Full DIA KIT Composition Look for all the Figures Where the DIA KIT P/N Is Shown

1шт.

Выбрано товаров: 7