Запчасти Case 590SN (35.701.300) - VAR - 747864 - LOADER ARM, CYLINDER, LINE, W/ PILOT CONTROLS (35) - HYDRAULIC SYSTEMS

Схема запчастей Case 590SN - (35.701.300) - VAR - 747864 - LOADER ARM, CYLINDER, LINE, W/ PILOT CONTROLS (35) - HYDRAULIC SYSTEMS
39.100.090
10
11
11
11
1
8
12
7
14
6
4
12
13
5
2
16
14
18
11
7
17
7
12
12
9
15
7
3
35.359.210
35.701.030
35.701.030
35.701.240
35.701.080
35.701.080
39.100.040
39.100.070
FIT
1:1
100%

Артикул

Название

Примечание

Количество

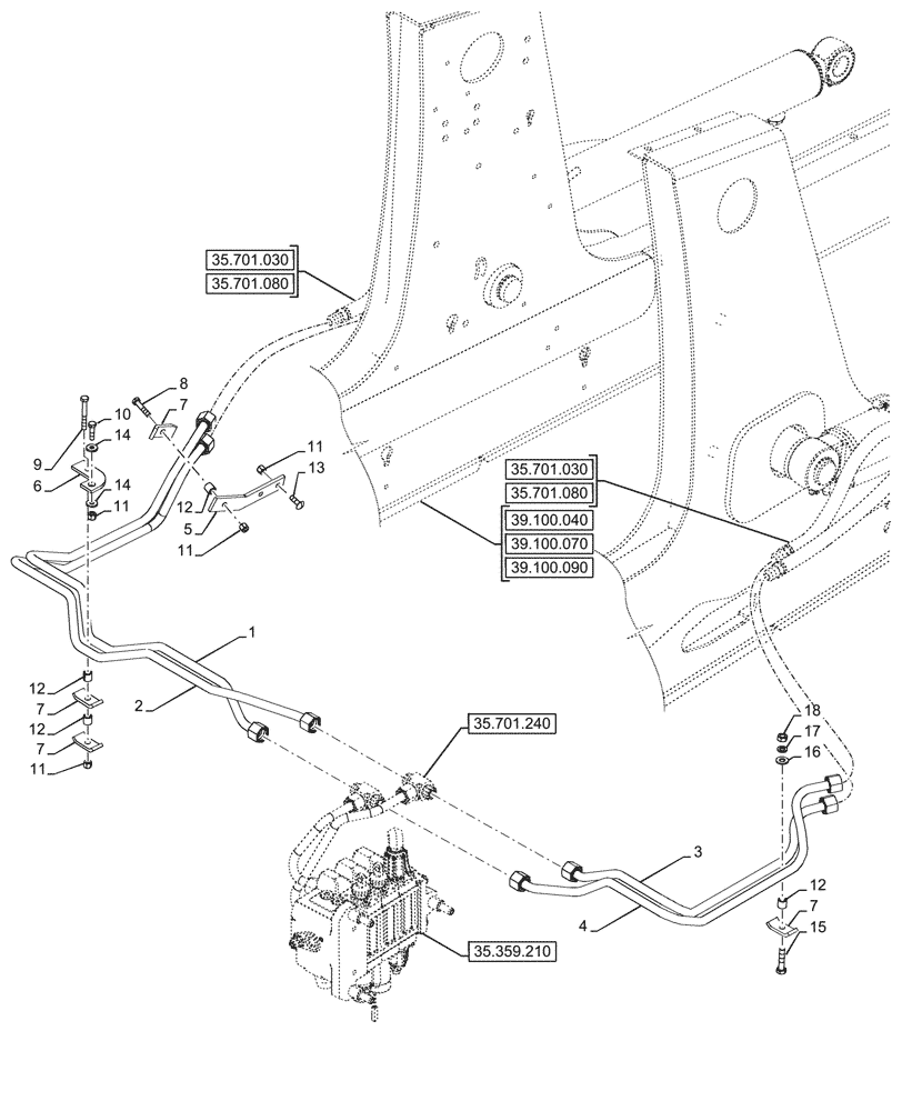
1

47536042

HYD TUBE

LH Lift Port B

1шт.

2

47546968

HYD TUBE

LH Lift Port A

1шт.

3

84405562

HYD TUBE

RH Lift Port A

1шт.

4

84405560

HYD TUBE

RH Lift Port B

1шт.

5

84293020

BRACKET

Loader Cross Tube Clamping

1шт.

6

47536044

BRACKET

Loader Tube Clamping

1шт.

7

D138055

CLAMP

4шт.

8

43129

BOLT,Hex, M8 x 1.25 x 40mm, LH Thd, Cl 8.8

1шт.

9

300510

BOLT,Hex, M8 x 65mm, Cl 8.8

1шт.

10

43128

BOLT,M8 x 1.25 x 30mm, Cl 8.8

1шт.

11

16104121

NUT,M8 x 1.25, Cl 10

4шт.

12

120303A1

SPACER,11mm ID x 15.82mm OD x 15mm Thk

4шт.

13

308761

CARRIAGE BOLT,M8 x 1.25 x 25mm, Cl 8.8

1шт.

14

12645031

WASHER,8.45mm ID x 21mm OD x 3mm Thk

2шт.

15

325829

BOLT,Hex, M10 x 1.5 x 45mm, Cl 8.8

1шт.

16

87655046

SPECIAL WASHER,10.65mm ID x 23mm OD x 2.2mm Thk

1шт.

17

140028

WASHER,10.2mm ID x 18.1mm OD x 2.2mm Thk

1шт.

18

86500689

NUT,M10 x 1.5, Cl 10

1шт.

Выбрано товаров: 18