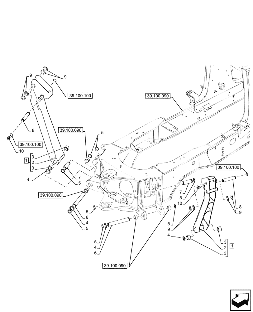
Запчасти Case 590SN (39.129.040) - STABILIZER LEG (39) - FRAMES AND BALLASTING

Схема запчастей Case 590SN - (39.129.040) - STABILIZER LEG (39) - FRAMES AND BALLASTING
39.100.090
5
4
2
9
9
5
6
9
3
7
8
5
1
6
4
5
2
9
10
5
7
8
10
8
3
4
5
1
3
5
8
4
3
39.100.100
39.100.100
39.100.100
39.100.090
39.100.090
39.100.090
FIT
1:1
100%

Артикул

Название

Примечание

Количество

1

47959585

STABILIZER

Grey, ASSY, Incl 2, 3

2шт.

2

NSS

NOT SOLD SEPARAT

Stabilizer, Incl in 1

2шт.

3

84229922

BUSHING,55.19mm ID x 65mm OD x 38mm L

4шт.

4

84231927

SHIM,57mm ID x 70mm OD x 2.77mm Thk

4шт.

5

84233536

RING,55mm ID, Ext

8шт.

6

84243665

PIN,54.9mm OD x 305.5mm L

Stab to Chassis

2шт.

7

84243667

PIN,54.9mm OD x 148mm L

Stab Cylinder

2шт.

8

47857124

PIN,44.4mm OD x 152.4mm L

2шт.

9

D143406

WASHER,38.23mm ID x 63.88mm OD x 2.9mm Thk

8шт.

10

219-1

LUBE NIPPLE,1/8" - 27 NPTF

2шт.

Выбрано товаров: 10