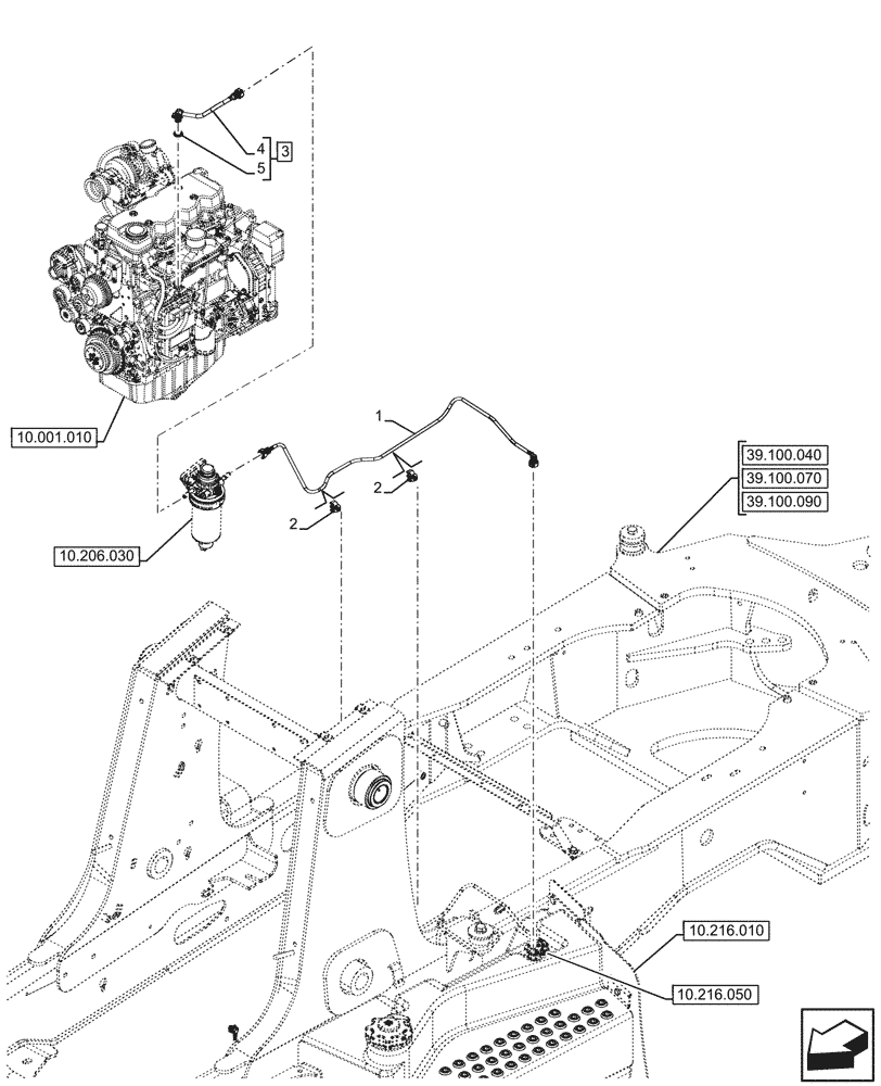
Запчасти Case 590SN (10.216.040) - FUEL TANK, LINE (10) - ENGINE

Схема запчастей Case 590SN - (10.216.040) - FUEL TANK, LINE (10) - ENGINE
39.100.090
2
5
4
2
3
1
10.206.030
10.216.050
10.216.010
10.001.010
39.100.040
39.100.070
FIT
1:1
100%

Артикул

Название

Примечание

Количество

1

84394621

LINE

Fuel Tank to Fuel Filter Inlet

1шт.

2

84298475

HOSE CLAMP

2шт.

3

84563544

LINE

ASSY, Fuel Filter Outlet to Engine, Incl 4, 5

1шт.

4

NSS

NOT SOLD SEPARAT

Hose, Fuel Sunction, Incl in 3

1шт.

5

4890929

O-RING,3mm Thk x 11mm ID

1шт.

Выбрано товаров: 5