Запчасти Case 590SN (10.216.050) - FUEL TANK, LINE (10) - ENGINE

Схема запчастей Case 590SN - (10.216.050) - FUEL TANK, LINE (10) - ENGINE
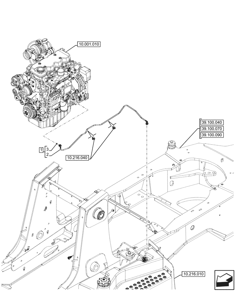
10.216.040
3
2
1
10.216.010
10.001.010
39.100.040
39.100.070
39.100.090
FIT
1:1
100%

Артикул

Название

Примечание

Количество

1

84394620

LINE

ASSY, Engine to Tank, Incl 2, 3

1шт.

2

NSS

NOT SOLD SEPARAT

Hose, Incl in 1

1шт.

3

4894095

O-RING,2.5mm Thk x 8mm ID, 60 Duro

1шт.

Выбрано товаров: 3