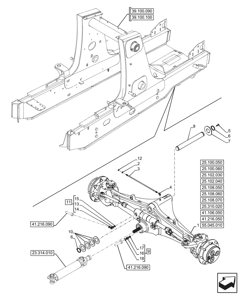
Запчасти Case 590SN (25.100.040) - FRONT AXLE, 4WD (25) - FRONT AXLE SYSTEM

Схема запчастей Case 590SN - (25.100.040) - FRONT AXLE, 4WD (25) - FRONT AXLE SYSTEM
55.045.010
9
13
12
2
10
11
17
6
1
4
14
8
15
18
16
5
6
3
7
41.106.050
25.108.070
25.310.020
25.108.060
25.100.050
25.108.050
41.216.050
23.314.010
39.100.090
39.100.100
41.216.090
41.216.090
25.102.030
25.100.060
25.102.040
FIT
1:1
100%

Артикул

Название

Примечание

Количество

1

47559840

FRONT AXLE

ASSY, Grey, PS1428 ACP, 12.8-1, GR

1шт.

2

87655046

SPECIAL WASHER,10.65mm ID x 23mm OD x 2.2mm Thk

1шт.

3

87572760

HOSE ASSY.,6.4mm ID x 533mm L

1шт.

4

218-5103

90 ELBOW,90 Degree Elbow, 7/16" - 20 Male JIC x 7/16" - 20 Male ORB

1шт.

5

614-12025

BOLT,Hex, M12 x 1.75 x 25mm, Cl 8.8, Full Thd

1шт.

6

800-44050

SNAP RING,M50, Ext

2шт.

7

D123684

WASHER,52.3mm ID x 114mm OD x 4.78mm Thk

1шт.

8

391451A1

PIVOT PIN,50mm OD x 431.5mm L

1шт.

9

9992342

HYD CONNECTOR,13/16" - 16 ORFS x 9/16" - 18 ORB

ASSY, Incl 16 - 18

1шт.

10

191796A1

WASHER,51.6mm ID x 92mm OD x 1.98mm Thk

4шт.

11

201-321

ELBOW,45 Degree Elbow, 13/16" - 16 Male ORFS x 9/16" - 18 Male ORB

ASSY, Incl 13 - 15

1шт.

12

F53473

LOCK NUT,1/8-27 NPSM

1шт.

13

NSS

NOT SOLD SEPARAT

Elbow, 45°, Incl in 11

1шт.

14

237-6004

O-RING,0.072" Thk x 0.351" ID, -904, Cl 6, 90 Duro

1шт.

15

238-6012

O-RING,0.07" Thk x 0.364" ID, -12, Cl 6, 90 Duro

1шт.

16

NSS

NOT SOLD SEPARAT

Connector, Incl in 9

1шт.

17

9617873

O-RING,0.078" Thk x 0.468" ID, -906, Cl 6, 90 Duro

1шт.

18

9992298

O-RING,0.07" Thk x 0.489" ID, -14, Cl 6, 90 Duro

1шт.

Выбрано товаров: 18