Запчасти Case 590SN (35.359.205) - LOADER, BACKHOE, CONTROL VALVE, AUXILIARY, LINES (35) - HYDRAULIC SYSTEMS

Схема запчастей Case 590SN - (35.359.205) - LOADER, BACKHOE, CONTROL VALVE, AUXILIARY, LINES (35) - HYDRAULIC SYSTEMS
35.723.190
1
7
6
7
7
7
10
10
9
7
16
8
14
7
14
7
7
13
18
8
13
11
2
3
5
8
19
7
17
5
6
15
9
8
4
12
12
35.723.160
35.106.170
35.701.330
35.701.280
35.359.480
35.359.185
35.359.475
35.359.485
FIT
1:1
100%

Артикул

Название

Примечание

Количество

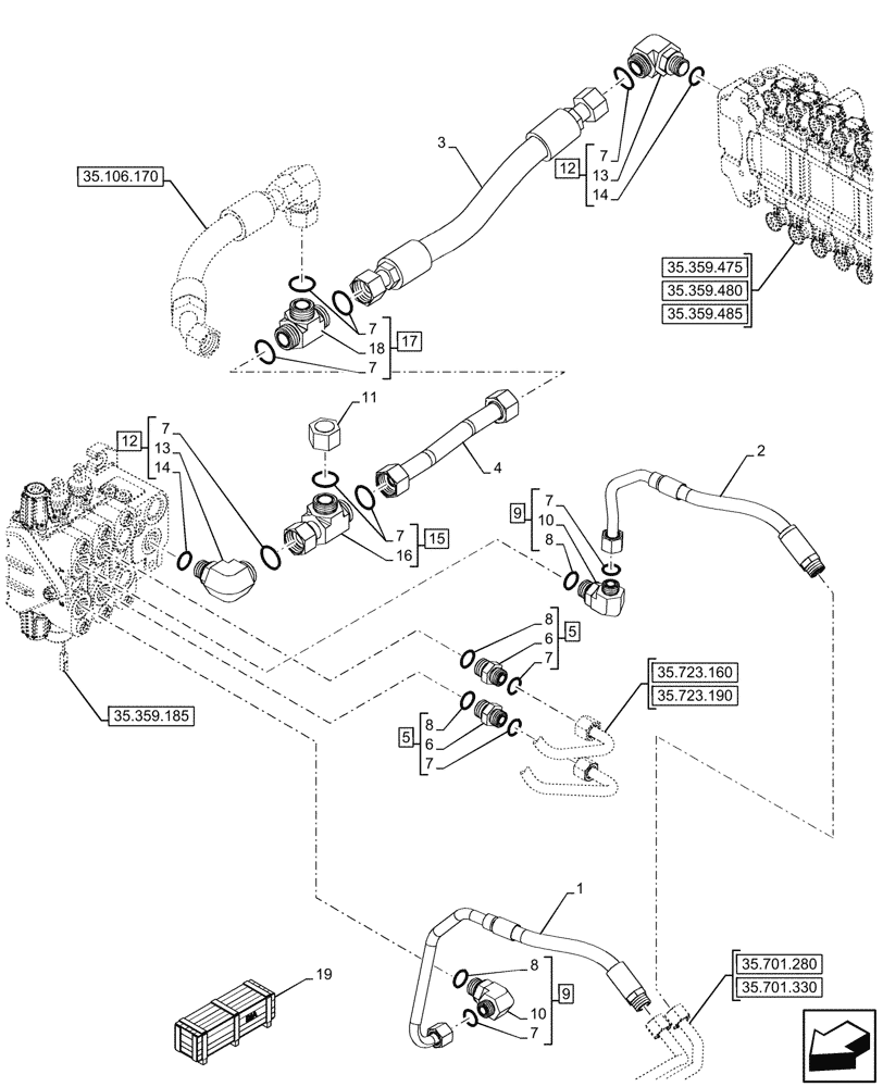
1

84255714

TUBE

4N1 Port B, Loader Valve to Auxiliary Cylinder Line

1шт.

2

84281124

TUBE

4N1 Port A, Loader Valve to Auxiliary Cylinder Line

1шт.

3

84523970

HYDRAULIC HOSE,25.4mm ID x 538mm L, SAE 100R12

Pressure to Backhoe Valve

1шт.

4

84523969

HYD TUBE

Pressure to Loader, 257mm

1шт.

5

83962539

HYD CONNECTOR,1" - 14 ORFS x 1-1/16 - 12 ORB

ASSY, Incl 6, 7 (Qty 2), 8 (Qty 2)

2шт.

6

NSS

NOT SOLD SEPARAT

Connector, Incl in 5

2шт.

7

167266

O-RING,0.116" Thk x 0.924" ID, -912, Cl 6, 90 Duro

11шт.

8

9992069

O-RING,0.07" Thk x 0.614" ID, -16, Cl 6, 90 Duro

4шт.

9

9991973

ELBOW,1-14" ORFS x 1-1/16"-12 ORB

ASSY, Incl 7 (Qty 2), 8 (Qty 2), 10

2шт.

10

NSS

NOT SOLD SEPARAT

90° Elbow, Incl in 9

2шт.

11

9847690

CAP,1-7/16" - 12 ORFS

1шт.

12

9846956

90 ELBOW,90 Degree, 1-7/16"-12 x 1-1/16"-12, Adj, ORFS

ASSY, Incl 7 (Qty 2), 13, 14

2шт.

13

NSS

NOT SOLD SEPARAT

90° Elbow, Incl in 12

2шт.

14

9824050

O-RING,0.07" Thk x 0.926" ID, -21, Cl 6, 90 Duro

2шт.

15

86641295

TEE,1-7/16"-12 ORFS to Swivel

ASSY, Incl 7 (Qty 2), 16

1шт.

16

NSS

NOT SOLD SEPARAT

Tee, Incl in 15

1шт.

17

87016914

TEE,1 7/16"-12 ORFS

ASSY, Incl 7 (Qty 3), 18

1шт.

18

NSS

NOT SOLD SEPARAT

Tee, Incl in 17

1шт.

19

47661818

CONSTRUCTION DIA

3 Spool Valve, Incl 1, 2, 7 - 10

1шт.

Valid for 580SN (Livery), 580SN WT (Livery), 590SN (Livery) Models Only, W/ Standard Transmission and Pilot Control

1шт.

To See Full DIA KIT Composition Look for all the Figures Where the DIA KIT P/N Is Shown

1шт.

19

47788201

CONSTRUCTION DIA

Loader Valve 3 Spool, Incl 1, 2, 7 - 10

1шт.

Valid for 580SN (Livery), 580SN WT (Livery), 590SN (Livery) Models Only, W/ Powershift Transmission

1шт.

To See Full DIA KIT Composition Look for all the Figures Where the DIA KIT P/N Is Shown

1шт.

Выбрано товаров: 24