Запчасти Case 590SN (35.359.530) - 6-SPOOL, BACKHOE CONTROL VALVE, STANDARD DIPPER, FOOT SWING, W/O 2 LEVER CONTROLS, W/O DOUBLE AUXILIARY HYDRAULIC, COMPONENTS (35) - HYDRAULIC SYSTEMS

Схема запчастей Case 590SN - (35.359.530) - 6-SPOOL, BACKHOE CONTROL VALVE, STANDARD DIPPER, FOOT SWING, W/O 2 LEVER CONTROLS, W/O DOUBLE AUXILIARY HYDRAULIC, COMPONENTS (35) - HYDRAULIC SYSTEMS
25
26
22
29
8
33
19
23
27
17
16
31
12
18
10
19
32
3
16
13
35
10
4
2
34
11
20
9
5
30
7
24
6
21
14
28
15
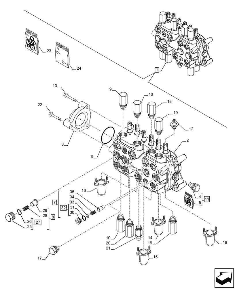
1
FIT
1:1
100%

Артикул

Название

Примечание

Количество

1

47578533

VALVE

ASSY, 6 Spool, Foot Swing, Incl 2 - 35

1шт.

47578533R

REMAN-HYD VALVE

Reman Valve ASSY, 6 Spool, Foot Swing, Incl 2 - 35

1шт.

47578533C

CORE-VALVE HYD

Return Number

1шт.

2

NSS

NOT SOLD SEPARAT

Block, Incl in 1

1шт.

3

87433030

OUTLET

Outlet

1шт.

4

NSS

NOT SOLD SEPARAT

Anti Void Valve, Incl in 11

1шт.

5

87455580

O-RING KIT

Backhoe Control Valve, Anti-Void Check Valve

1шт.

6

87428495

O-RING,3.50" ID x 3.76" OD x .139" thk

1шт.

7

87428486

VALVE, CHECK

ASSY, Incl 30 - 35

1шт.

8

87426238

VALVE, CHECK

ASSY, Incl 25 - 29

3шт.

9

47520553

VALVE PRESSURE RELIE

Bucket A Port

1шт.

10

47520548

VALVE PRESSURE RELIE

283 Bar

2шт.

11

81868381

CHECK VALVE,1-1/16" - 12

ASSY, Anti Void, Incl 4, 5

1шт.

12

84315193

SEAL

6шт.

13

87428491

SCREW,Hex

4шт.

14

84296862

KIT

Mech Boom B Port End Group

1шт.

15

84296826

SERVICE KIT

Mechanical Stabilizer End Group B Port

2шт.

16

84296859

KIT

Mechanical Backhoe Valve B Port End G

2шт.

17

47538073

CHECK VALVE

1шт.

18

47537935

VALVE PRESSURE RELIE,221 Bar

1шт.

19

47520547

VALVE PRESSURE RELIE,205 Bar

Swing 207 Bar

2шт.

20

47520549

VALVE PRESSURE RELIE

Dipper B Port

1шт.

21

47520550

VALVE PRESSURE RELIE

Boom B Port

1шт.

22

87428492

SCREW,Hex

1шт.

23

47537934

SEAL KIT

Mechanical Backhoe Valve Seal

1шт.

24

84296861

SERVICE KIT

Foot Swing B Port End Group

1шт.

25

NSS

NOT SOLD SEPARAT

Plug, Incl in 27

3шт.

26

87455975

O-RING

3шт.

27

87455581

PLUG,Hex, 1/16" - 12 ORB

ASSY, Incl 25, 26

3шт.

28

87455582

SPRING

3шт.

29

87455583

VALVE POPPET

Load Check

3шт.

30

NSS

NOT SOLD SEPARAT

Plug, Incl in 7

1шт.

31

87455974

O-RING,0.097" Thk x 0.755" ID

1шт.

32

87455593

PLUG,7/8" - 14 ORB

ASSY

1шт.

33

87455594

WASHER

Plastic

1шт.

34

87455595

SPRING

1шт.

35

87455596

PISTON

Poppet, Low Leak

1шт.

Выбрано товаров: 37