Запчасти Case 590SN (35.359.570) - 8-SPOOL, BACKHOE CONTROL VALVE, EXTANDABLE DIPPER, FOOT SWING, W/O 2 LEVER CONTROLS, W/ DOUBLE AUXILIARY HYDRAULIC, COMPONENTS (35) - HYDRAULIC SYSTEMS

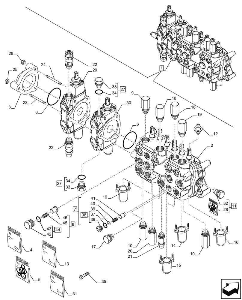
Схема запчастей Case 590SN - (35.359.570) - 8-SPOOL, BACKHOE CONTROL VALVE, EXTANDABLE DIPPER, FOOT SWING, W/O 2 LEVER CONTROLS, W/ DOUBLE AUXILIARY HYDRAULIC, COMPONENTS (35) - HYDRAULIC SYSTEMS
19
34
38
44
6
20
28
46
45
14
31
9
30
22
15
12
4
10
16
21
27
37
42
22
34
40
33
17
27
26
7
13
25
11
19
6
2
18
16
10
1
33
36
43
35
39
29
3
32
8
24
41
5
23
FIT
1:1
100%

Артикул

Название

Примечание

Количество

1

47578536

VALVE

ASSY, Incl 2 - 46

1шт.

2

NSS

NOT SOLD SEPARAT

Block, Incl in 1

1шт.

3

87433030

OUTLET

Outlet

1шт.

4

84276556

SERVICE KIT

ASSY, Bi-Directional Aux Bolt on

1шт.

5

47537934

SEAL KIT

Mechanical Backhoe Valve Seal

1шт.

6

87428495

O-RING,3.50" ID x 3.76" OD x .139" thk

2шт.

7

87428486

VALVE, CHECK

ASSY, Incl 36 - 41

1шт.

8

87426238

VALVE, CHECK

ASSY, Incl 42 - 46

3шт.

9

47520553

VALVE PRESSURE RELIE

Bucket A Port

1шт.

10

47520548

VALVE PRESSURE RELIE

283 Bar

2шт.

11

81868381

CHECK VALVE,1-1/16" - 12

ASSY, Anti Void, Incl 28, 32

1шт.

12

84315193

SEAL

6шт.

13

84276557

SERVICE KIT

ASSY, Bolt on Extendable Dipper, Mechanical Control

1шт.

14

84296862

KIT

Mech Boom B Port End Group

1шт.

15

84296826

SERVICE KIT

Mechanical Stabilizer End Group B Port

2шт.

16

84296859

KIT

Mechanical Backhoe Valve B Port End G

3шт.

17

47538073

CHECK VALVE

1шт.

18

47537935

VALVE PRESSURE RELIE,221 Bar

1шт.

19

47520547

VALVE PRESSURE RELIE,205 Bar

Swing 207 Bar

2шт.

20

47520549

VALVE PRESSURE RELIE

Dipper B Port

1шт.

21

47520550

VALVE PRESSURE RELIE

Boom B Port

1шт.

22

47520559

VALVE PRESSURE RELIE

Bi-Aux, 220 Bar

2шт.

23

47538081

TIE-ROD

1шт.

24

47538080

TIE-ROD

2шт.

25

47520611

NUT

1шт.

26

47520609

NUT

2шт.

27

83981068

STOP PLUG,Hex, 1/16 - 12 UN

ASSY, Incl 33, 34

2шт.

28

87455580

O-RING KIT

Backhoe Control Valve, Anti-Void Check Valve

1шт.

29

NSS

NOT SOLD SEPARAT

Spool Section, Incl in 1

1шт.

30

NSS

NOT SOLD SEPARAT

Spool Section, Incl in 1

1шт.

31

84296861

SERVICE KIT

Foot Swing B Port End Group

1шт.

32

NSS

NOT SOLD SEPARAT

Anti Void Valve, Incl in 11

1шт.

33

NSS

NOT SOLD SEPARAT

Plug, Incl in 27

2шт.

34

87308628

PLASTIC RING

Special

2шт.

35

87428491

SCREW,Hex

2шт.

36

NSS

NOT SOLD SEPARAT

Plug, Incl in 38

1шт.

37

87455974

O-RING,0.097" Thk x 0.755" ID

1шт.

38

87455593

PLUG,7/8" - 14 ORB

ASSY, Incl 36, 37

1шт.

39

87455594

WASHER

Plastic

1шт.

40

87455595

SPRING

1шт.

41

87455596

PISTON

Poppet, Low Leak

1шт.

42

NSS

NOT SOLD SEPARAT

Plug, Incl in 44

3шт.

43

87455975

O-RING

3шт.

44

87455581

PLUG,Hex, 1/16" - 12 ORB

ASSY, Incl 42, 43

3шт.

45

87455582

SPRING

3шт.

46

87455583

VALVE POPPET

Load Check

3шт.

Выбрано товаров: 46